EasyManua.ls Logo

KitchenAid KBSD708MSS - Page 14

KitchenAid KBSD708MSS
30 pages
Print Icon
To Next Page IconTo Next Page
To Next Page IconTo Next Page
To Previous Page IconTo Previous Page
To Previous Page IconTo Previous Page
Loading...
14
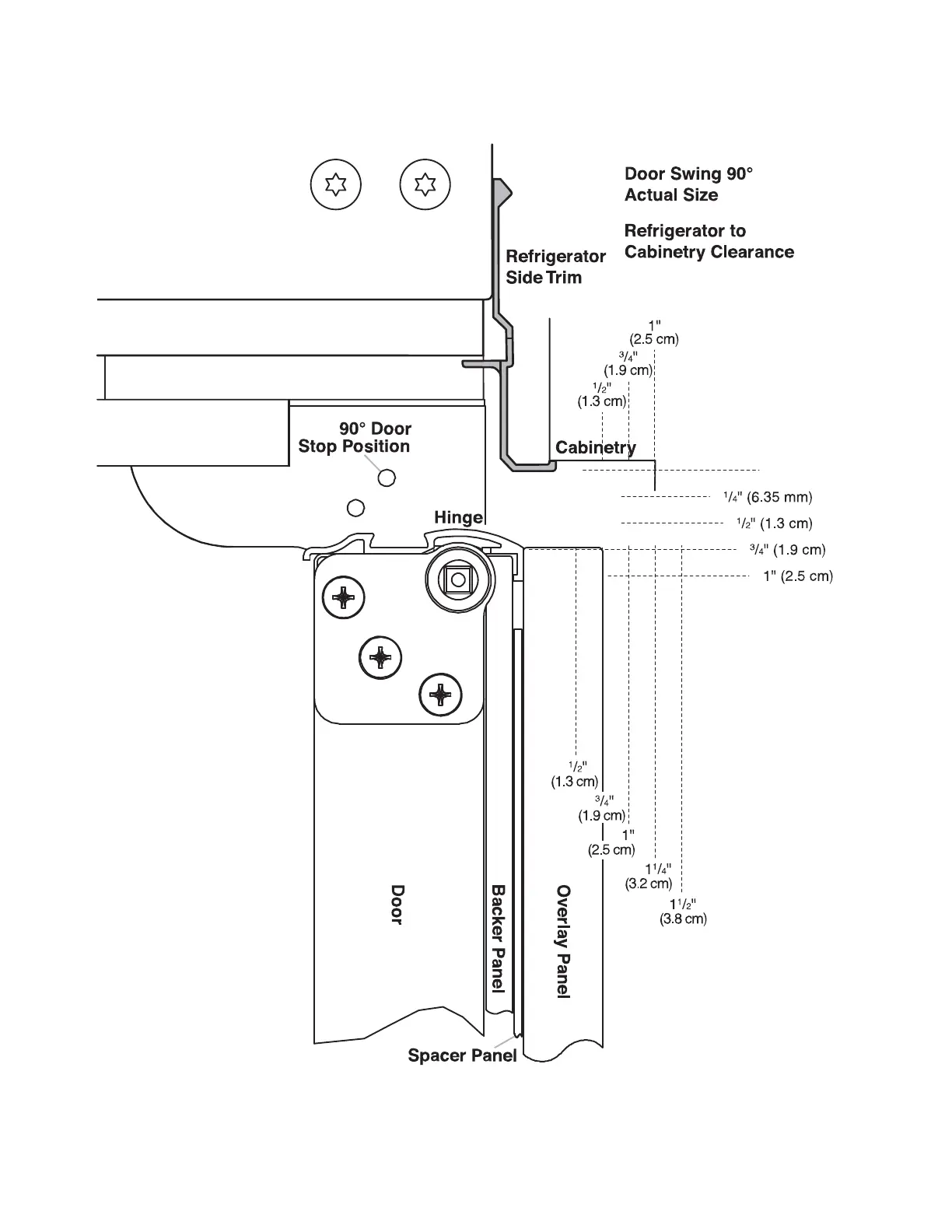
When the doors are closed the refrigerator will extend beyond the face of the adjacent cabinetry to some degree.
Allow a minimum of 5" (12.7 cm) of space between the side of the refrigerator and a corner wall. More clearance may be needed if thicker
custom panels or custom handles are used. Do not overlook baseboards.

Related product manuals