EasyManua.ls Logo

KitchenAid KCMS1555SBL0 - Page 5

KitchenAid KCMS1555SBL0
6 pages
Print Icon
To Next Page IconTo Next Page
To Next Page IconTo Next Page
To Previous Page IconTo Previous Page
To Previous Page IconTo Previous Page
Loading...
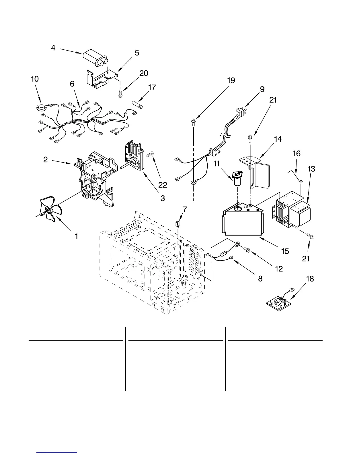
OVEN INTERIOR PARTS
5
For Models: KCMS1555SWH0, KCMS1555SBL0, KCMS1555SSS0
(White) (Black) (Stainless Steel)
W10169317
Illus. Part
No. No. DESCRIPTION
Illus. Part
No. No. DESCRIPTION
Illus. Part
No. No. DESCRIPTION
1 8205458 Blade, Fan
2
W10169274
Guide, Suction
3 8205462 Motor, Fan
4 8184813 H.V. Capacitor
5 8184288 H.V.C Bracket
6
W10169276
Leadwire Assembly
7 4359794 Holder, Wire
8
W10160548
H.V. Diode Cable
9 8206281 Power Cord
10
W10169277
Thermostat
11 8171810 Lamp, Baseless
12
W10160553
Screw
13 8205460 Magnetron
14 8205509 Bracket
15 8204900 Duct, Air
16 8184290 Bracket, Support
17 8183507 Fuse
18 8206270 Filter, Noise
19 8204902 Screw
20 4358381 Screw
21 4358489 Screw
22 4358190 Screw

Related product manuals