EasyManua.ls Logo

KitchenAid KSM75 - Page 40

KitchenAid KSM75
42 pages
Print Icon
To Next Page IconTo Next Page
To Next Page IconTo Next Page
To Previous Page IconTo Previous Page
To Previous Page IconTo Previous Page
Loading...
KITCHENAID
Stand Mixer Service Manual LIT4177310-C 2005 KitchenAid
.
Appendix E
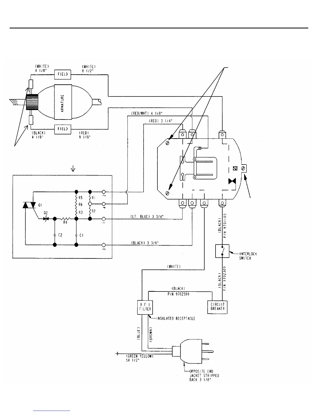
STAND MIXER WIRING DIAGRAM
INTERNATIONAL MODELS - BOWL LIFT and R F FILTER
Adjust these screws equally to give
60 R P M at the planetary on Stir Speed.
If using a digital tachometer at the
attachment hub, set the reading to 40 - 64
R P M on Stir Speed.
Adjust this screw to give 175
- 180 R P M at the planetary for
speed 6 after Stir Speed has been
adjusted. If using a digital
tachometer at the attachment hub,
set the reading at 141 - 170 R P M.
Phase Control
Brush Holders

Other manuals for KitchenAid KSM75

Related product manuals