EasyManua.ls Logo

Koehler K39496 - Page 22

Default Icon
26 pages
Print Icon
To Next Page IconTo Next Page
To Next Page IconTo Next Page
To Previous Page IconTo Previous Page
To Previous Page IconTo Previous Page
Loading...
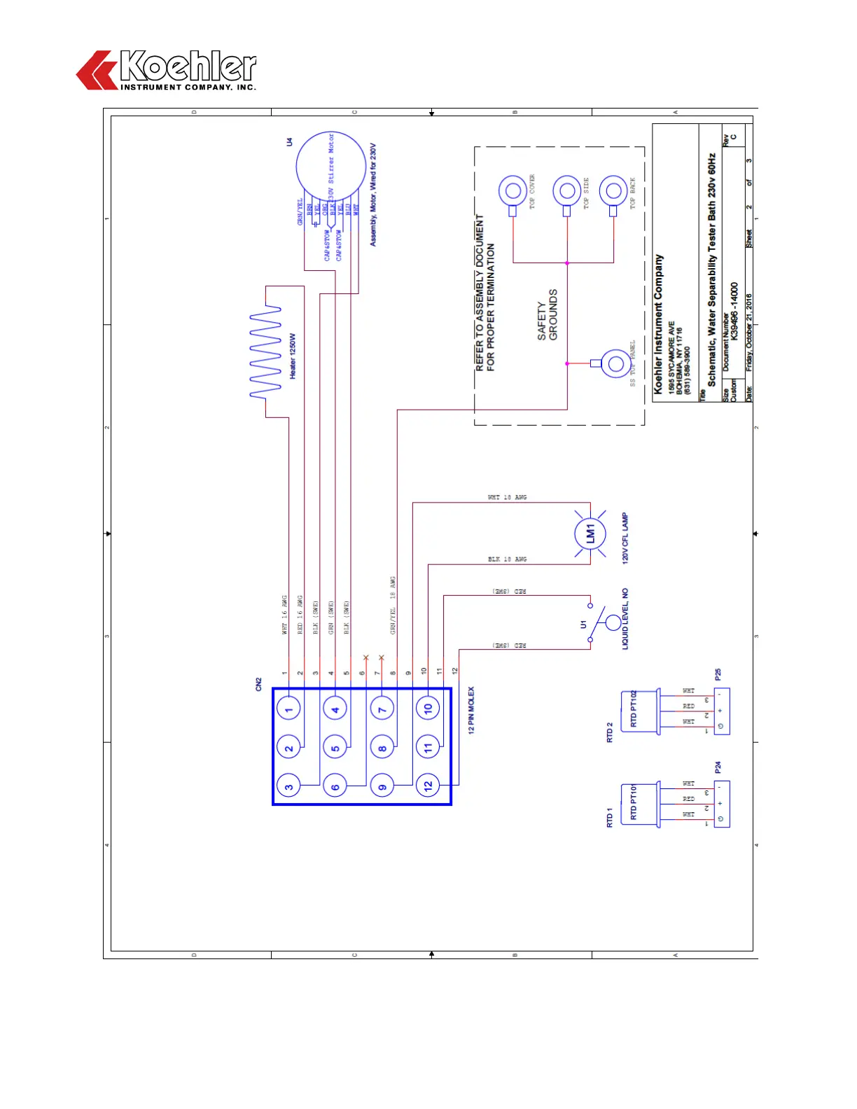
K394XX Water Separability Tester
Operation and Instruction Manual
K394XX-Manual -18-

Related product manuals