EasyManua.ls Logo

Kohler Lombardini 6 LD 400

Kohler Lombardini 6 LD 400
104 pages
To Next Page IconTo Next Page
To Next Page IconTo Next Page
To Previous Page IconTo Previous Page
To Previous Page IconTo Previous Page
Loading...
UM GR 6 _cod. ED0053023850 - 3° ed_rev. 02
45
6 LD 360
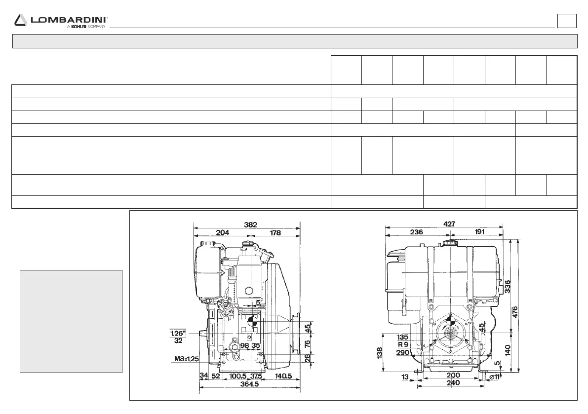
DIMENSIONI D’INGOMBRO
MESURES
D’ENCOMBREMENT
OVERALL DIMENSION
EINBAUMAßE
DIMENSIONE EXTERIORES
DIMENÇÕES EXTERIORES
CARATTERISTICHE - CARACTERISTIQUES - CHARACTERISTICS - TECHNISCHE DATEN - CARACTERISTICAS - CARACTERÍSTICAS
6LD
260
260/C
6LD
325
325/C
6LD
360
6LD
360/C
6LD
400
401/B1
6LD
400/C
6LD
435
435/B1
6LD
435/C
CILINDRI - CYLINDRES - CYLINDERS - ZILINDERZAHL - CILINDROS - CILINDROS 1
ALESAGGIO - ALESAGE - BORE - BOHRUNG - DIAMETRO - ALESAGEM mm 70 78 82 86
CORSA - COURSE - STROKE - HUB - CARRERA - CORRIDA mm
CILINDRATA - CYLINDREE - DISPLACEMENT - HUBRAUM - CILINDRATA - CILINDRADA cm
3
68 75
INCLINAZIONE MAX DISCONTINUA (ISTANTANEO) (MAX/1’) - INCLINAISON MAX TEM-
PORAIRE (INSTANTANÉE) (MAX1’) - MAX INTERMITTENT ANGULARITY (PEAK VALUES)
(MAX 1’) - MAX SCHRÄGLAGEWECHSELBETRIEB (MOMENTAN) (MAX 1’) - INCLINACION
MAX DISCONTINUA (INSTANTÀNEO) (MAX 1’)
α 262 325 359 395 439
QUANTITÀ OLIO - QUANTITÉ HUILE - OIL QUANTITY - ÖLMENGE - CANTIDAD ACEITE
QUANTIDADE ÓLEO
I. 1.2 1.1 1.5 1.1 1.5 1.1
PESO A SECCO - POIDS À VIDE - DRY WEIGHT - TROKENGEWICHT - PESO EN SECO Kg. 44 45 45
IDENTIFICAZIONE MOTORE - IDENTIFICATION MOTEUR - ENGINE TYPE
IDENTIFIZIERUNGSDATEN - IDENTIFICACION DEL MOTOR - IDENTIFICAÇÃO DO MOTOR
4

Table of Contents

Related product manuals