EasyManua.ls Logo

Kubota WG752 E3 - WIRING DIAGRAM

Kubota WG752 E3
93 pages
Print Icon
To Next Page IconTo Next Page
To Next Page IconTo Next Page
To Previous Page IconTo Previous Page
To Previous Page IconTo Previous Page
Loading...
4-1
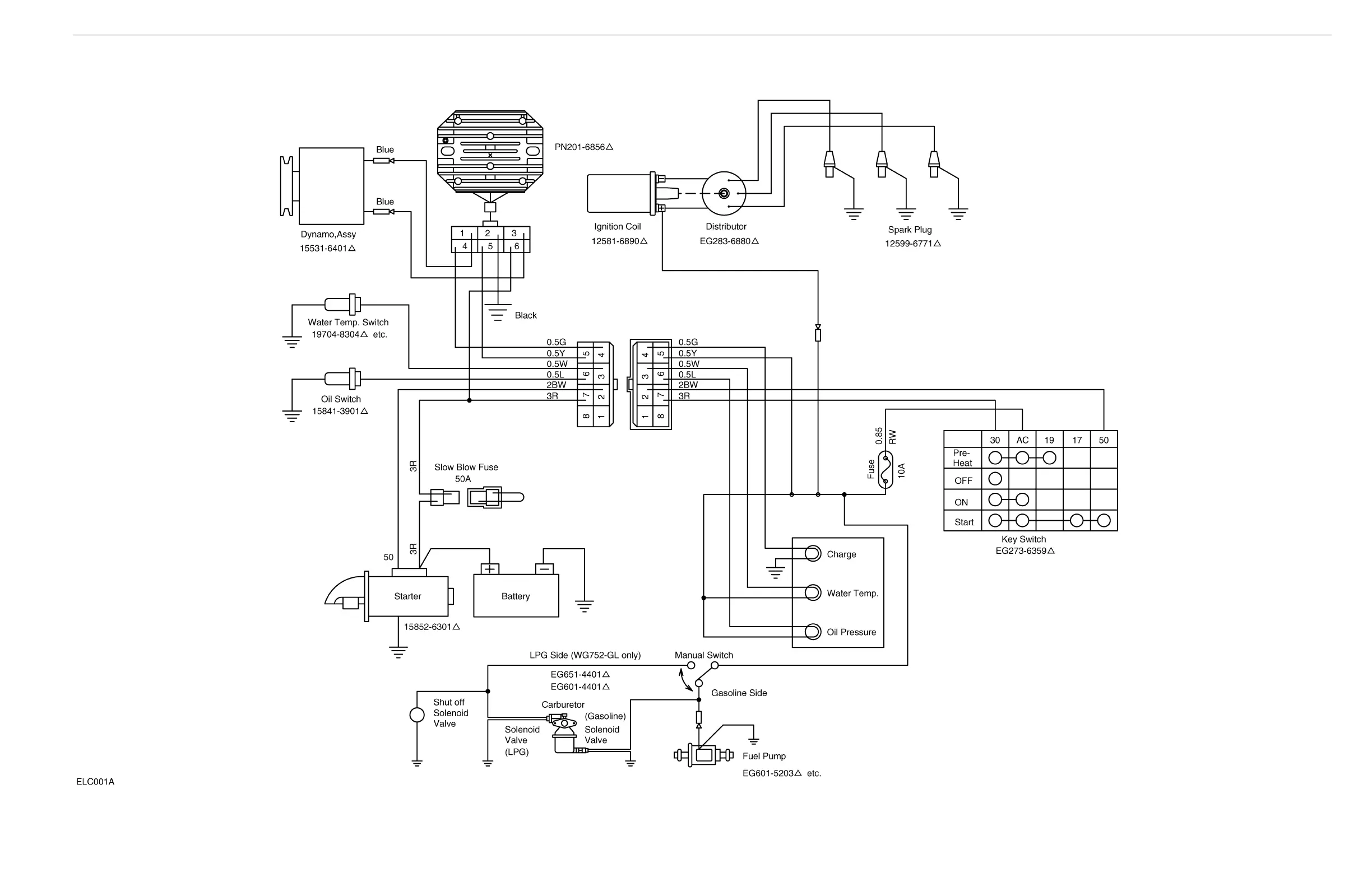
1. WIRING DIAGRAM
WG752

Table of Contents

Related product manuals