EasyManua.ls Logo

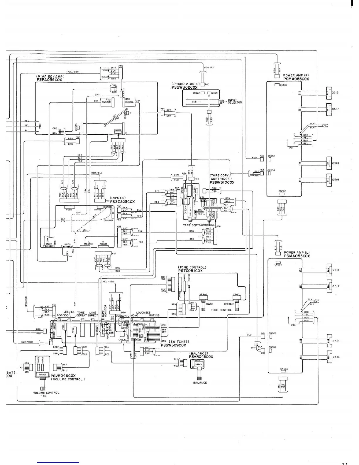
Kyocera A-710 - PC Board Layout #1

Kyocera A-710
30 pages
Print Icon
To Next Page IconTo Next Page
To Next Page IconTo Next Page
To Previous Page IconTo Previous Page
To Previous Page IconTo Previous Page
Loading...