EasyManua.ls Logo

Laney DIGBETH DB500H - Page 14

Laney DIGBETH DB500H
27 pages
Print Icon
To Next Page IconTo Next Page
To Next Page IconTo Next Page
To Previous Page IconTo Previous Page
To Previous Page IconTo Previous Page
Loading...
USER MANUAL EN
www.laney.co.uk
14
1
1
2
2
3
3
4
4
5
5
6
6
7
7
8
8
D D
C
C
B B
A A
Steelpark Road
Coombs Wood
Halesowen
UK
Title:
www.laney.co.uk
Industrial Estate West
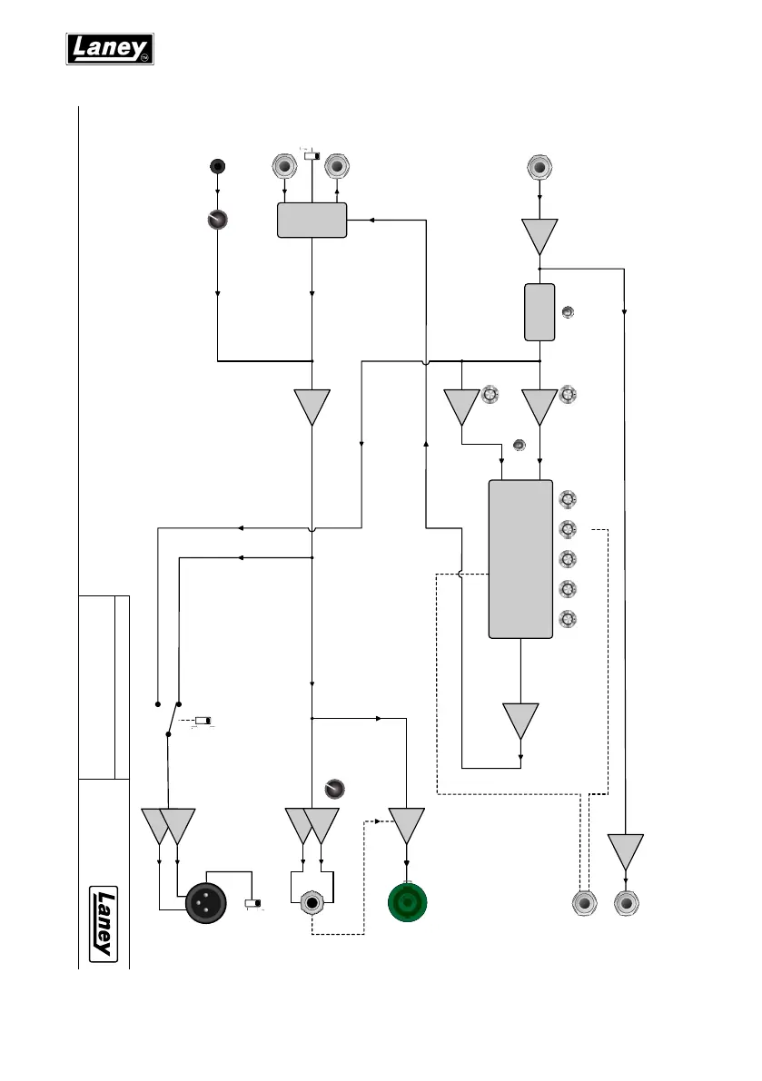
DB500 Block Diagram
RETURN
TIP- MID MODE - ON/OFF
RING - FET/TUBE
PRE
ON
POST
LIFT
D.I. SOURCE
POST
PRE
DIRECT OUT
PHONES
PHONES LEVEL
PHONES MUTE
GROUND LIFT
-10dB
0dB
BYPASS
BASS
RUN
MUTE
MODE
TILT
LEVEL
FET/TUBE
MID
TREBLE
POWER
AMPLIFIER
MUTE
FET VOLUME
TUBE DRIVE
TUNER OUT
REMOTE
INPUT
AUX INPUT
AUX LEVEL
FX LOOP
MAIN OUTPUT
SEND
DIGBETH PREAMP EQ
S
P
E
A
K
O
N
1
/
4
J
A
C
K
-
C
O
M
B
O
(Channel Selection)

Other manuals for Laney DIGBETH DB500H