EasyManua.ls Logo

lb pa Series - Amplifier Block Diagrams

lb pa Series
28 pages
Print Icon
To Next Page IconTo Next Page
To Next Page IconTo Next Page
To Previous Page IconTo Previous Page
To Previous Page IconTo Previous Page
Loading...
8
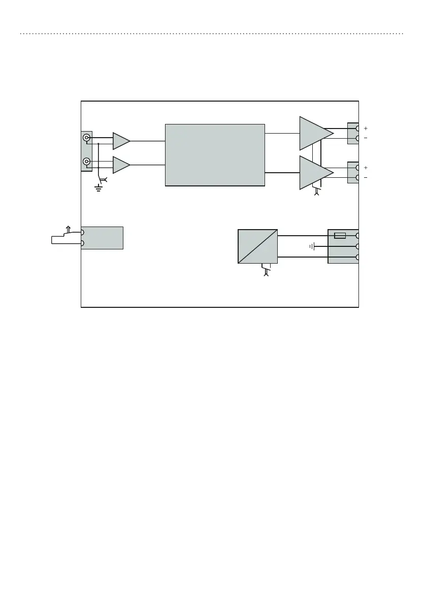
Block Diagram
PA-S 230
AUTO/STEADY ON
Channel 1+2
POWER OUT 2
30 WATTS
POWER OUT 1
30 WATTS
Signal Management
POWER
ON/OFF
(front)
STAND BY CONTACT
N/C
AC
DC
MAINS
90 ...250 VAC
50 Hz
GROUND/
LIFT
Schematic PA-S 230