EasyManua.ls Logo

Leading LDE2800X - Page 36

Leading LDE2800X
43 pages
Print Icon
To Next Page IconTo Next Page
To Next Page IconTo Next Page
To Previous Page IconTo Previous Page
To Previous Page IconTo Previous Page
Loading...
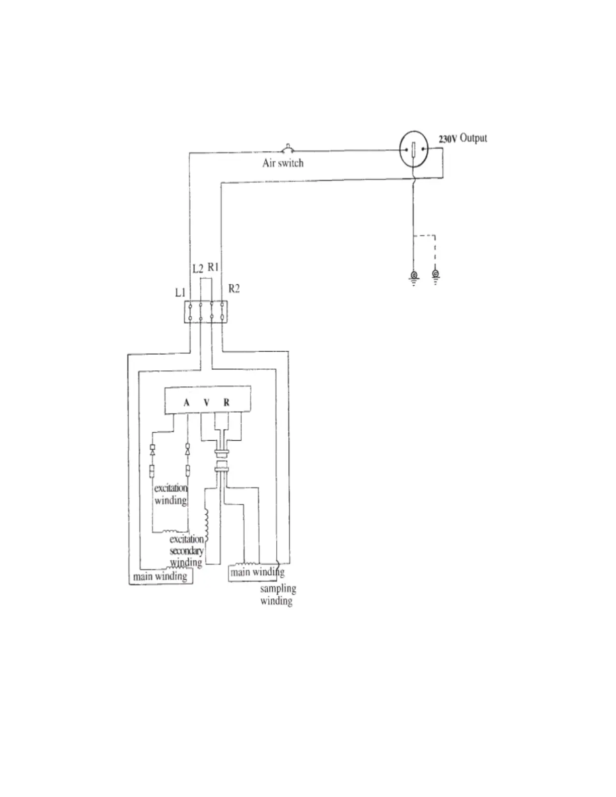
<1> C type electric wiring diagram
<2> X type electric wiring diagram (single voltage output)

Related product manuals