EasyManua.ls Logo

Leb Electronics CTR320 - Page 6

Leb Electronics CTR320
Print Icon
To Next Page IconTo Next Page
To Next Page IconTo Next Page
To Previous Page IconTo Previous Page
To Previous Page IconTo Previous Page
Loading...
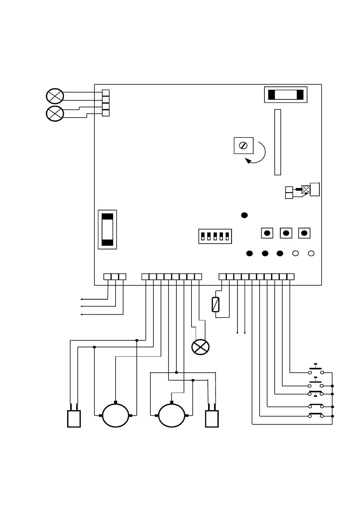
CONNECTIONS
J1
IC1
J4
1 2 3 4 5 6 7 8 9 10
J5
M1
M2
STOP N.C.
START N.O.
CANC.AP
J7
PHOTOCELL N.C.
PHOTOSTOP N.C.
P1 P2 P3
RV1
DL1
CORT.
2A
Receiver
Antenna
FUSE
FS FC STOP PD ST
DL6 DL5 DL4 DL3 DL2
Dip switch
5 4 3 2 1
J2
1 2 3 4 5 6 7 8 1 2 3
Phase
Neutral
Ground
230Vac
Capacitor
Capacitor
CLOSE
OPEN
COM
SERR
El. lock
OUT
24Vac
MOTORS
1 2 3 4
1 2
PED N.O.
FUSE
+
DP1
OPEN CLOSE
COM
Power
5A
LAMP
Blinker