EasyManua.ls Logo

Leister HOTWIND SYSTEM - Page 37

Leister HOTWIND SYSTEM
Print Icon
To Next Page IconTo Next Page
To Next Page IconTo Next Page
To Previous Page IconTo Previous Page
To Previous Page IconTo Previous Page
Loading...
37
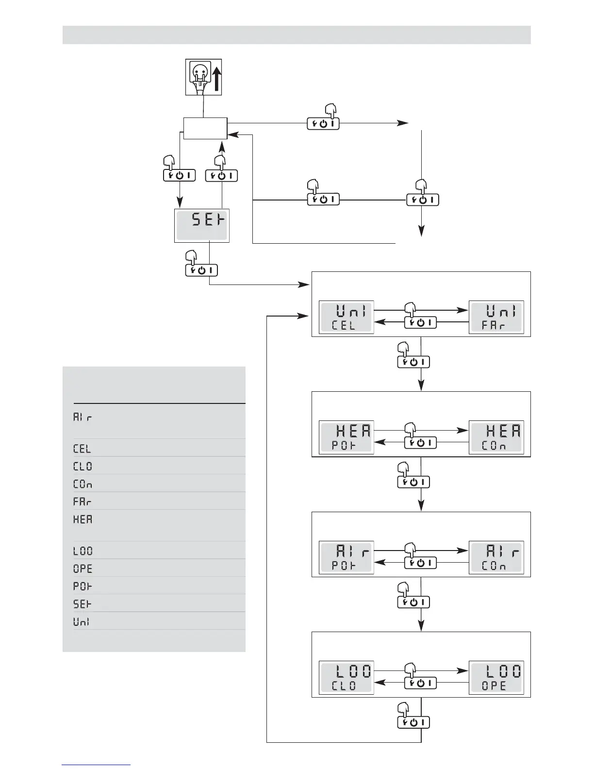
Tasto funzione (2)
Tenere premuto per
3 secondi.
Menu Setup
Collegare la linea di
allacciamento (1) alla
rete elettrica.
Stand by
Interruttore principale (2)
ON
Riscaldamento
Cool Down
3 minuti
Tasto funzione (2)
Tenere premuto per 3 secondi.
Configurazione e funzionamento di HOTWIND SYSTEM
Tasto funzione (2)
Premere rapidamente
1 volta.
Tasto funzione (2)
Tenere premuto per 3 secondi.
Tasto funzione (2)
Premere rapidamente 1 volta.
°C
°F
Tasto funzione (2)
Tenere premuto per 3 secondi.
Tasto funzione (2)
Premere rapidamente
1 volta.
Tasto funzione (2)
Tenere premuto per 3 secondi.
Tasto funzione (2)
Premere rapidamente
1 volta.
Tasto funzione (2)
Tenere premuto per 3 secondi.
Tasto funzione (2)
Premere rapidamente 1 volta.
°C
L e g e n d a
Indicazione Descrizione
(Air) Valore nominale
portata d'aria
(°C) Celsius
(Closed Loop) Con regolazione
(Connector) Interfaccia
(°F) Fahrenheit
(Heater) Valore nominale
riscaldamento
(Loop) Regolazione
(Open Loop) Con controllo
(Pot) Potenziometro
(Setup) Configurazione
(Unit) Unità
Se nel menu Setup non si preme il tasto
funzione (2) per 10 secondi, l'apparecchio
passa in alla modalità Stand by in modo au-
tomatico.

Related product manuals