EasyManua.ls Logo

Leister HOTWIND SYSTEM - Page 49

Leister HOTWIND SYSTEM
Print Icon
To Next Page IconTo Next Page
To Next Page IconTo Next Page
To Previous Page IconTo Previous Page
To Previous Page IconTo Previous Page
Loading...
49
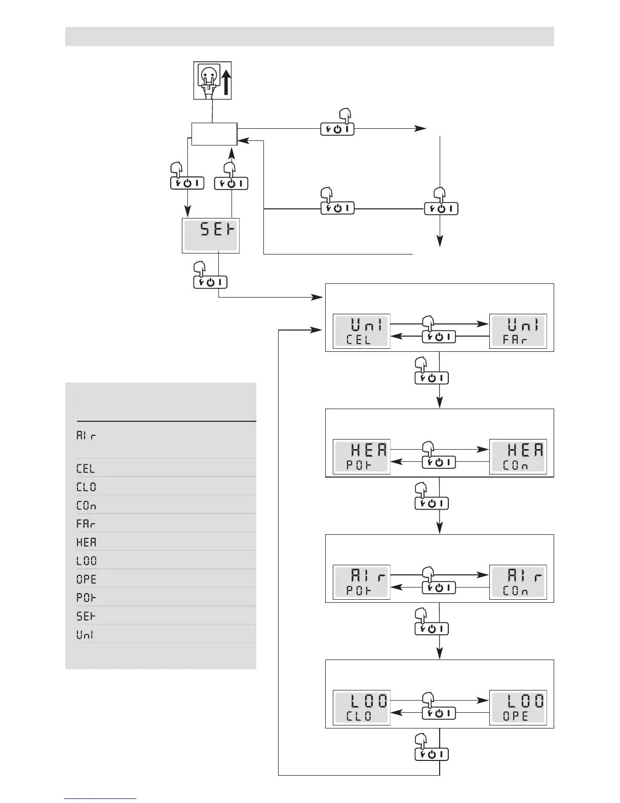
Touche de fonction (2)
Appuyez pendant
3 secondes
Menu Setup
Raccordez le câble d’ali-
mentation secteur (1) au
secteur électrique
Stand by
Commutateur principal (2)
MARCHE
Chauffage
Cool Down
3 minutes
Touche de fonction (2)
Appuyez pendant 3 secondes
Configuration et utilisation de HOTWIND SYSTEM
Touche de fonction (2)
1 appui court sur la touche
Touche de fonction (2)
Appuyez pendant 3 secondes
Touche de fonction (2)
1 appui court sur la touche
°C
°F
Touche de fonction (2)
Appuyez pendant 3 secondes
Touche de fonction (2)
1 appui court sur la touche
Touche de fonction (2)
Appuyez pendant 3 secondes
Touche de fonction (2)
1 appui court sur la touche
Touche de fonction (2)
Appuyez pendant 3 secondes
Touche de fonction (2)
1 appui court sur la touche
°C
L é g e n d e
Affichage Description
(Air) Consigne
quantité d’air
(°C) Celsius
(Closed Loop) Régulé
(Connector) Interface
(°F) Fahrenheit
(Heater) Consigne chauffage
(Loop) Régulation
(Open Loop) Piloté
(Pot) Potentiomètre
(Setup) Configuration
(Unit) Unité
Si dans la touche de fonction (2) n’est pas
maintenue enfoncée pendant 10secondes
dans le menu Setup, l’appareil passe
automatiquement en mode Stand by.

Related product manuals