EasyManua.ls Logo

Lennox LF25-250 - Wiring Diagrams

Lennox LF25-250
22 pages
Print Icon
To Next Page IconTo Next Page
To Next Page IconTo Next Page
To Previous Page IconTo Previous Page
To Previous Page IconTo Previous Page
Loading...
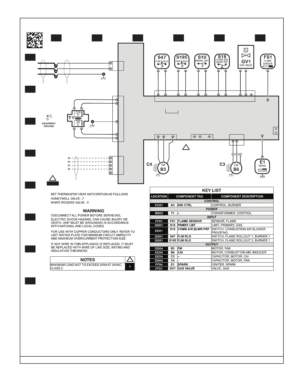
Page 15
Rev: 0
Heat Input - 030k-105k BTUH
Supersedes: N/A Form No:
Model: LF25 Unit Heater; TUA25 Separated Combustion Unit Heater
Voltage: 120/60/1
02
03
04
05
06
07
08
01
AA BB
CC
DD
EE
FF
6
GV-M
SPARK
COM
M
GRY
WHT
WHT
WHT
WHT
WHT
BLU
BLU
PNK
BRN
S10
4
S18
8
S47
7
S195
9
S10
5
S18
11
GV-C
12
GV-H
2
S47
1
S195
3
NO COM
2
FAN1 -N
5
FAN1 -GND
8
FAN1 -L1
2
FAN2 -N
5
FAN2 -GND
8
FAN2 -L1
GRN- YEL
WHT
BLK
FLAME SENS
GRY
GND
GND- Gr oundi ng Po int
W2
L1
G
W1
5
XFMR -COM
6
XFMR - 24VAC
3
XFMR -N
1
XFMR -L1
2
1
R
C
N
WHT-RED
4
CAI-N
1
CAI-L1
WHT
BLK
BLK
WHT
BLU
YEL
COMP-001
GND- Gr ounding Point
4
GND- BOARD
GRN- YEL
BLK
WHT
GRN- YEL
WHT
BLK
P19 J19
RED
3311
537992-01
0
537992-01
HIGH VOLTAGE POWER CONNECTIONS
IGN CT RL
A3
1
FACTORY INSTALLED POWER
WIRING
LOW VOLTAGE THERMOSTAT CONNECTIONS
HEAT (W1)
39
24VAC-IN
P368
1
J368
754
81
11262
P364 P365
P363
L1
P367
J367
1
3
5
6
R
24V COMMON (C)
24V POWER (R)
BLOWER (G)
G
C
P366
W2
W1
N
GND
J366
-OUT
24VAC-IN
-OUT
-OUT
24VAC-IN
FAC RUN TEST
P373
L1
N
J363
41
GND WIRE
ATTACHED TO
XFMR MOUNTI NG
SCREW
J374
P374
4
FIELD PROVIDED
CLASS II 24VAC
THERMOSTAT WIRING
FIELD PROVIDED
POWER WIRING.
MAKE FIELD POWER
CONNECTIONS IN
POWER ENTRY BOX.
!
P365 AND P364
ARE ENERGIZED
SIMULTANEOUSLY

Related product manuals