EasyManua.ls Logo

Lennox LF25-300

Lennox LF25-300
22 pages
To Next Page IconTo Next Page
To Next Page IconTo Next Page
To Previous Page IconTo Previous Page
To Previous Page IconTo Previous Page
Loading...
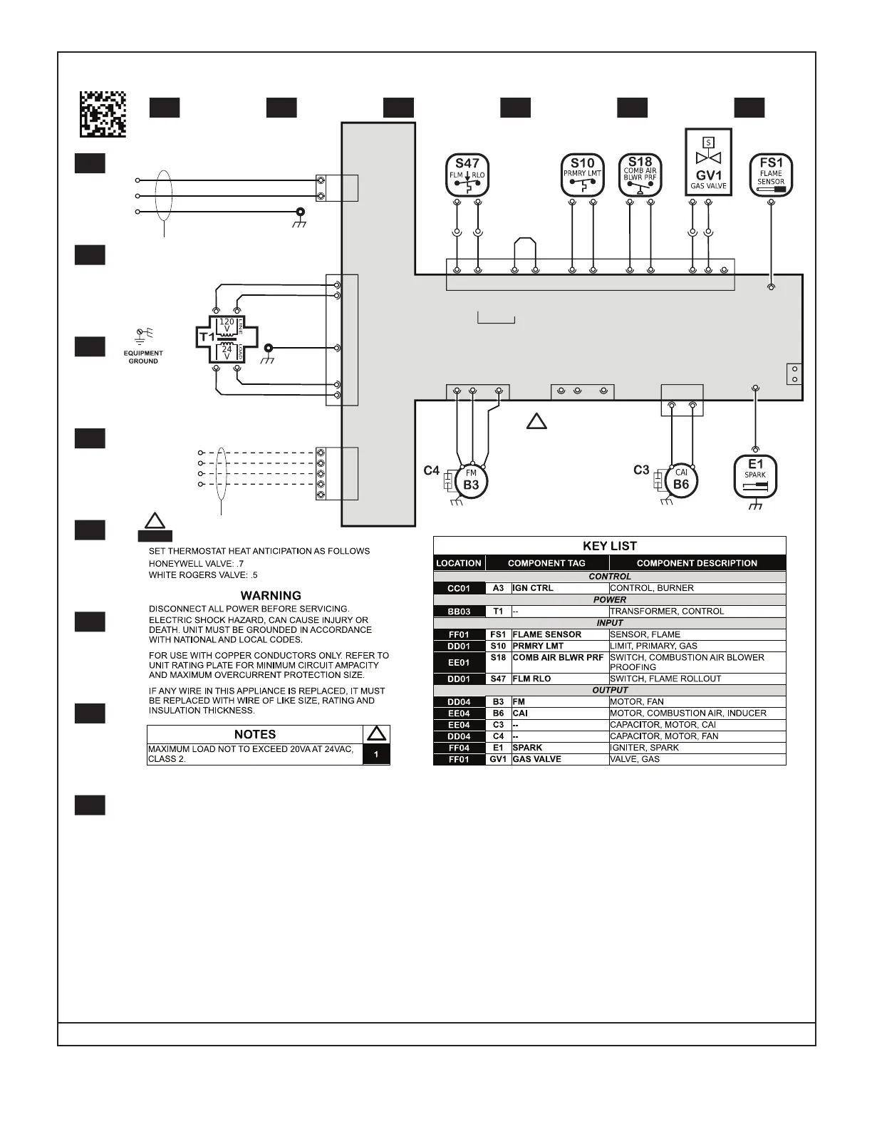
Page 16
Rev: 0
Heat Input - 125k-200k BTUH
Supersedes: N/A Form No:
Model: LF25 Unit Heater; TUA25 Separated Combustion Unit Heater
Voltage: 120/60/1
02
03
04
05
06
07
08
01
AA BB
CC
DD
EE
FF
6
GV-M
SPARK
COM
M
1
1
BLU
BLU
PNK
BRN
S10
4
S18
8
S47
7
S195
9
S10
5
S18
11
GV-C
12
GV-H
2
S47
1
S195
3
NO COM
2
FAN1 -N
5
FAN1 -GND
8
FAN1 -L1
2
FAN2 -N
5
FAN2 -GND
8
FAN2 -L1
GRN- YEL
WHT
BLK
FLAME SENS
GRY
GND
GND- Gr oundi ng Po int
3
4
W2
L1
G
W1
5
XFMR -COM
6
XFMR - 24VAC
3
XFMR -N
1
XFMR -L1
WHT
2
1
R
C
4
N
WHT-RED
4
CAI-N
1
CAI-L1
WHT
BLK
BLK
WHT
BLU
YEL
COMP-001
GND- Gr ounding Point
4
GND- BOARD
GRN-YEL
BLK
WHT
GRN- YEL
2
2
3
WHT
WHT
GRY
WHT
538025-01
0
538025-01
HI GH VOLTAGE POWER CONNECTI ONS
IGN CT RL
A3
1
LOW VOLTAGE THERMOSTAT CONNECTIONS
39
24VAC-IN
P368
1
J368
754
81
11262
P364 P365
P363
L1
P367
J367
1
3
5
6
R
24V POWER (R)
24V COMMON (C)
BLOWER (G)
HEAT (W1)
G
C
P366
W2
W1
N
GND
J366
-OUT
24VAC-IN
-OUT
-OUT
24VAC-IN
FAC RUN TEST
P373
L1
N
J363
41
GND WIRE
ATTACHED TO
XFMR MOUNTING
SCREW
J374
P374
4
FIELD PROVIDED
CLASS II 24VAC
THERMOSTAT WIRING
FIELD PROVIDED POWER WIRING.
CONNECT TO P366 AND GREEN GROUND
SCREW LOCATED INSIDE UNIT.
!
P365 AND P364
ARE ENERGIZED
SIMULTANEOUSLY

Related product manuals