EasyManua.ls Logo

Lenze E94AZHN0026 - Exemple de Câblage

Lenze E94AZHN0026
104 pages
Go to English
To Next Page IconTo Next Page
To Next Page IconTo Next Page
To Previous Page IconTo Previous Page
To Previous Page IconTo Previous Page
Loading...
4 Installation électrique
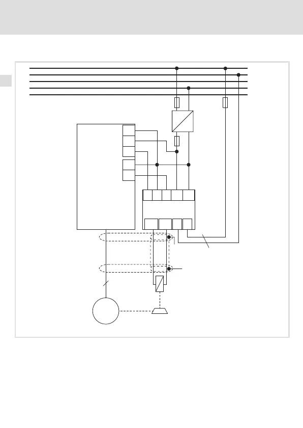
Exemple de câblage
EDK94AZHN26 DE/EN/FR/ES/IT 1.0
62
H1_E_INST−−−−(DUMMYSEITEVOR)−−−
Exemple de câblage
L1
L2
L3
N
PE
F10
BD1 BD2
M
3~
2.5 mm²
E94AxxExxx4
L2/N
"
=
~
DI GI
DO
24V
GND
DIx
GI
DOx
24O
GO
X4
X5
3
+
-
X107
X117
L1
"
...
E94AZHN0026
E94AZH017−B
F10 Protection des câbles du frein de parking
Lors du dimensionnement du fusible, respecter les normes concernant la protection des
câbles !
E94A... Composants de la série 9400
Raccordement de blindage HF via connexion avec PE par surface importante

Table of Contents

Related product manuals