EasyManua.ls Logo

Lenze i550 Series - Page 44

Lenze i550 Series
212 pages
Go to English
To Next Page IconTo Next Page
To Next Page IconTo Next Page
To Previous Page IconTo Previous Page
To Previous Page IconTo Previous Page
Loading...
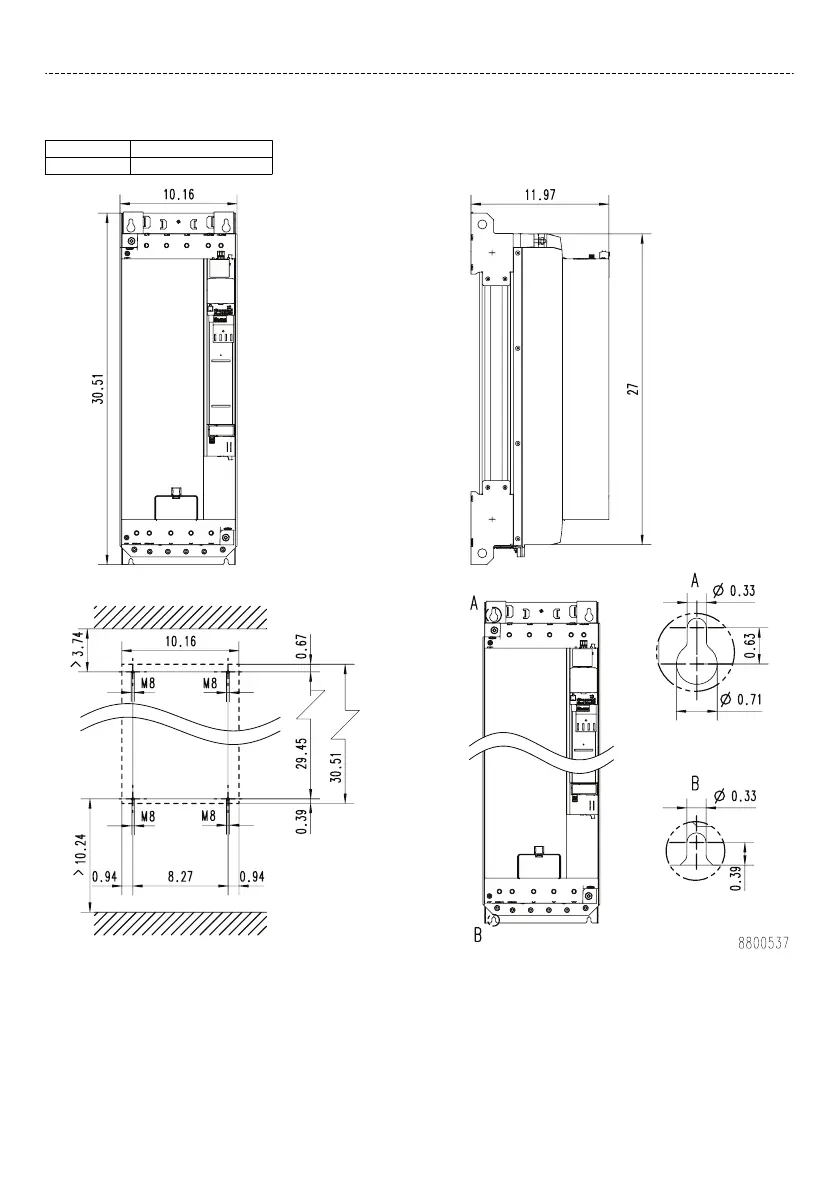
120 hp ... 150 hp
Die Abmessungen in inch gelten für:
120 hp I55AE390F
150 hp I55AE411F
Mechanische Installaon
Abmessungen
44

Table of Contents

Other manuals for Lenze i550 Series

Related product manuals