EasyManua.ls Logo

Lexus LX - Page 394

Lexus LX
560 pages
Print Icon
To Next Page IconTo Next Page
To Next Page IconTo Next Page
To Previous Page IconTo Previous Page
To Previous Page IconTo Previous Page
Loading...
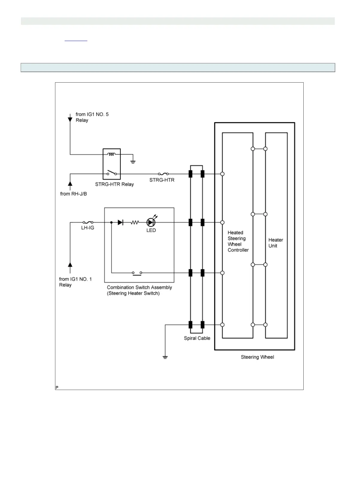
HEATED STEERING WHEEL SYSTEM > SYSTEM DIAGRAM
for Preparation Click here
SYSTEM DIAGRAM

Related product manuals