EasyManua.ls Logo

LG 21FB5RB - Audio and CPT Drive Troubleshooting

LG 21FB5RB
29 pages
Print Icon
To Next Page IconTo Next Page
To Next Page IconTo Next Page
To Previous Page IconTo Previous Page
To Previous Page IconTo Previous Page
Loading...
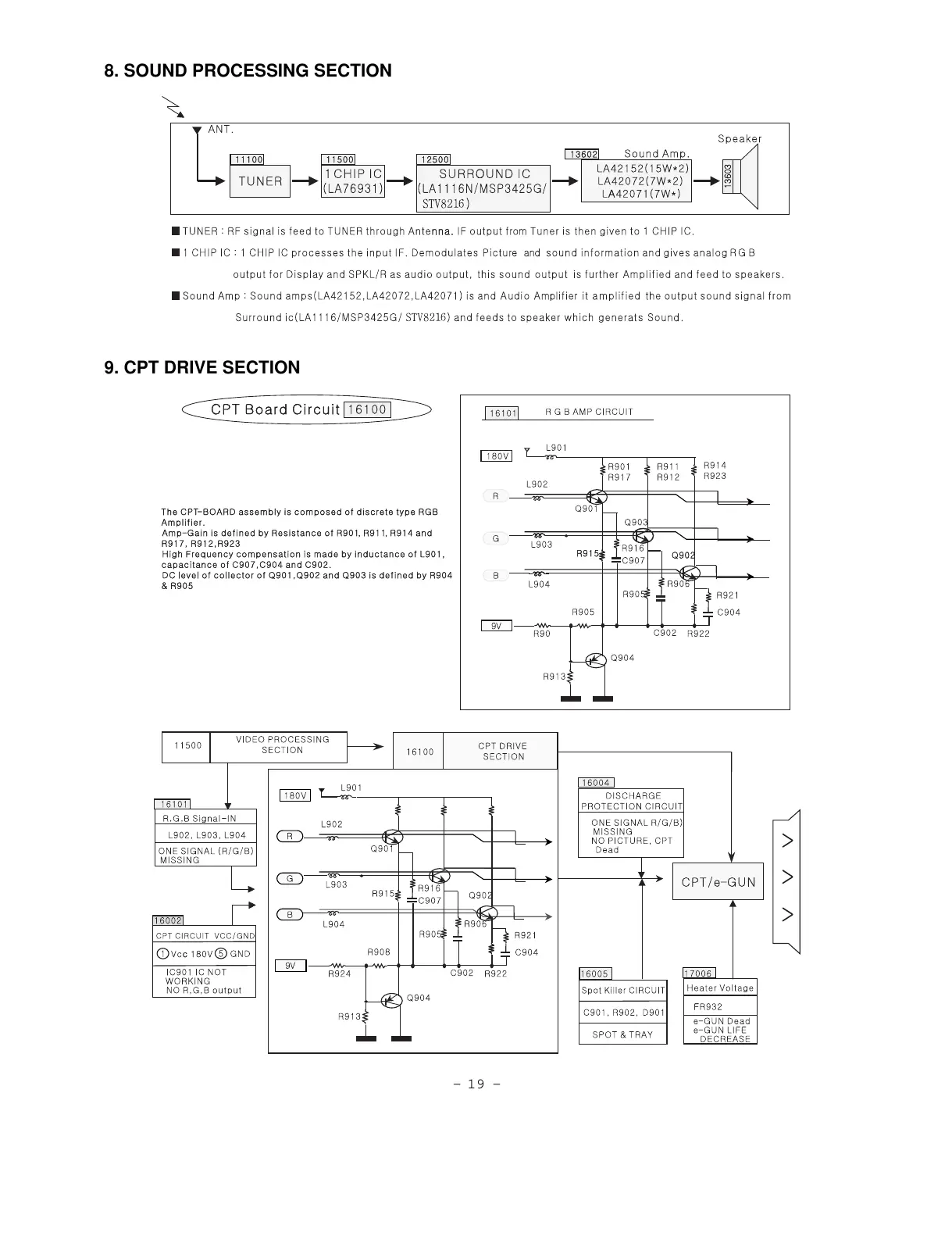
8. SOUND PROCESSING SECTION
- 19 -
9. CPT DRIVE SECTION
All manuals and user guides at all-guides.com

Related product manuals