EasyManua.ls Logo

LG 42LE5350 - Page 50

LG 42LE5350
84 pages
Print Icon
To Next Page IconTo Next Page
To Next Page IconTo Next Page
To Previous Page IconTo Previous Page
To Previous Page IconTo Previous Page
Loading...
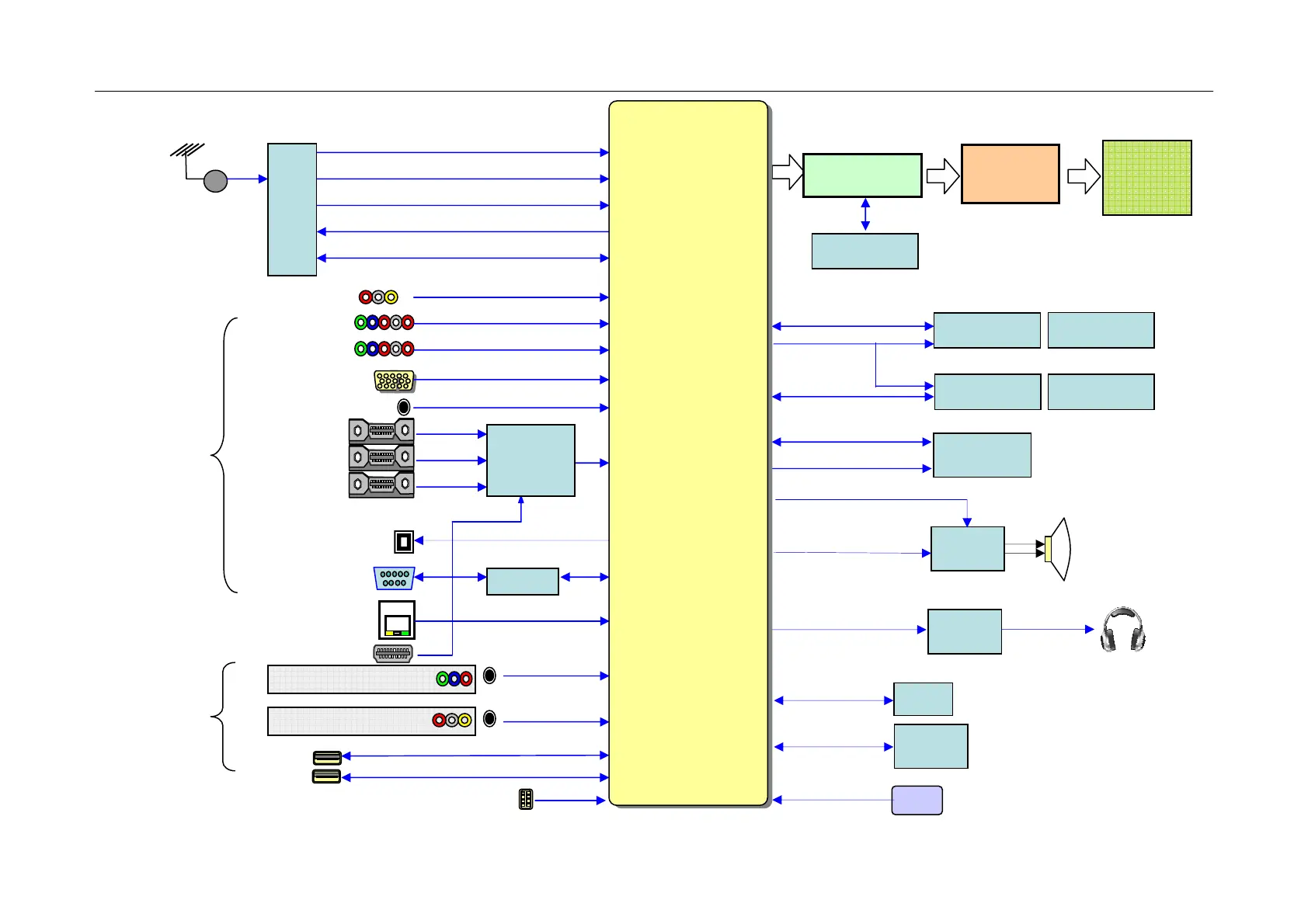
D-sub RGB
HDMI 1
Side AV Gender
CVBS, L/R
DDR2 (128Mbit)
NAND Flash
(4GB)
Digital Audio (Optic)
USB1
Digital AMP
NTP7000
RS-232C (Ctrl./SVC)
I2S
NVRAM
RGB/H/V
DDR_Data[0:15], DQS, DM …
Data[16:31]
Addr.[ ], ctrl. data
MICOM
(NEC)
MAX3232
Data [0 … 7]
X-tal
AV
Component 1
Y Pb Pr, L/R
CVBS, L/R
HDMI4
Addr[0…1], CS …
Component 2
Y Pb Pr, L/R
Audio L/R
Audio L/R (for RGB)
HDMI 2
HDMI 3
SPDIF
DP/DM/ +5V
RX/TX
54MHz
(3
rd
overtone)
JACK PACK
JACK PACK
at REAR
at REAR
JACK PACK
JACK PACK
at SIDE
at SIDE
SCL, SDA_3.3V
SCL, SDA_3.3V
LCD Module
USB2
Wireless Ready
Power
IF +/-
SIF
TU_CVBS
Reset / IF_AGC
SDA/SCL_5V
RF
TDVJ
-
H031F
DP/DM/ +5V
MCLK
Y Pb Pr, L/R
Side Component Gender
Ethernet
LG5111
(Local
dimming)
LGE7378P
(FRC, T-CON)
DDR2 (128Mbit)
DDR2 (128Mbit) DDR2 (128Mbit)
HP_L/R
DDR3 (1Gbit)
Hynix
LVDS_60Hz LVDS_120Hz
MINI_LVDS_120Hz
LGE3549
(ATSC)
LGE3549
(ATSC)
1. Overview for LGE3549 (ATSC) - US
TDA19997
4x1
HDMI Switch
HP AMP
TPA6132
Copyright ⓒ 2010 LG Electronics. Inc. All right reserved.
Only for training and service purposes
LGE Internal Use Only

Other manuals for LG 42LE5350

Related product manuals