EasyManua.ls Logo

LG 42LE5350 - Page 54

LG 42LE5350
84 pages
Print Icon
To Next Page IconTo Next Page
To Next Page IconTo Next Page
To Previous Page IconTo Previous Page
To Previous Page IconTo Previous Page
Loading...
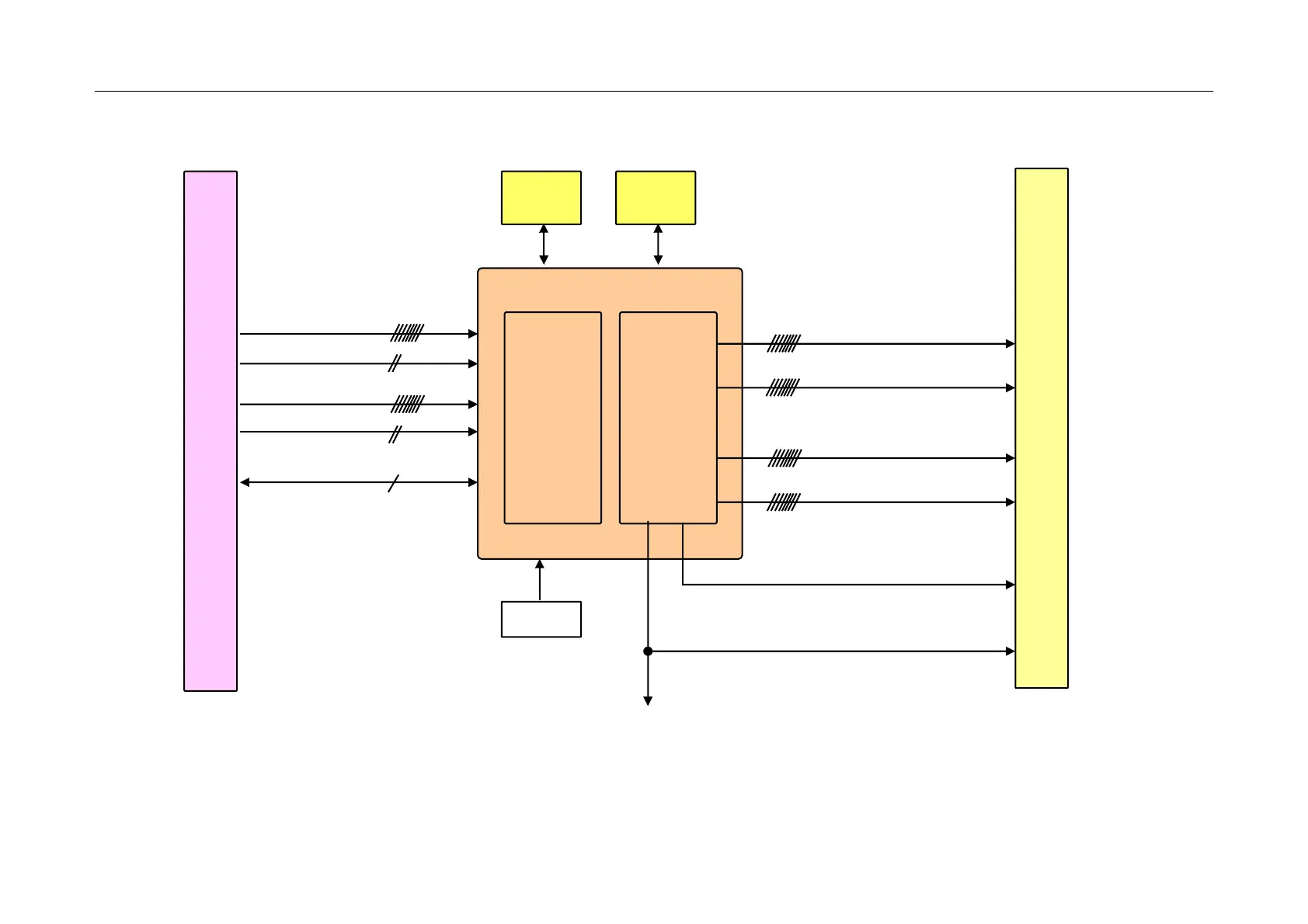
LVDS_TX_0_CLK
LVDS_TX_1_CLK
LVDS_TX_0_DATA
LVDS_TX_1_DATA
LGE3549
5. FRC (URSA3 – LGE7378A) block with mini-LVDS interface
I2C3_3.3V
LGE7378A (FRC)
S-Flash
(4MBIT)
DDR3
(1GBIT)
HW option
Dual Display
Control with
120Hz
(FRC)
To panel
Left mini-LVDS signals (data[10]+clk[2]
Left mini-LVDS signals (data[10]+clk[2]
Right mini-LVDS signals (data[10]+clk[2]
Right mini-LVDS signals (data[10]+clk[2]
T-CON
TIMING CONTROL SIGNALS
(H_CONV/OPT_N,POL)
GCLLK1~6
To MAX17119
(GIP module only)
Copyright ⓒ 2010 LG Electronics. Inc. All right reserved.
Only for training and service purposes
LGE Internal Use Only

Other manuals for LG 42LE5350

Related product manuals