EasyManua.ls Logo

LG 60UJ6540 - Page 17

LG 60UJ6540
97 pages
Print Icon
To Next Page IconTo Next Page
To Next Page IconTo Next Page
To Previous Page IconTo Previous Page
To Previous Page IconTo Previous Page
Loading...
- 17 -
Copyright © LG Electronics Inc. All rights reserved.
Only for training and service purposes.
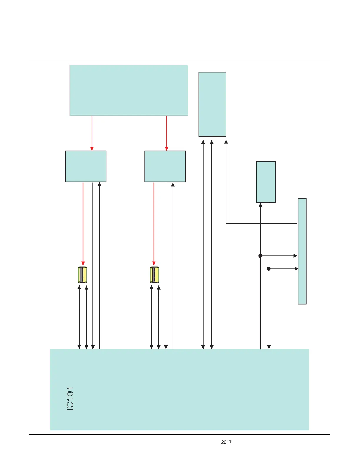
USB2(REAR)
USB2.0_2_DP1
USB2.0_2_DM1
GPIO94
GPIO95
USB2_0_DM0
USB2_0_DP0
USB1(SIDE)
USB2.0_2_DP1
USB2.0_2_DM1
IC1600
5V / 4A
+5V_USB_3
+5V_USB_2
/USB_OCD2
USB_CTL2
USB_CTL2
/USB_OCD2
WIFI_DM
WIFI_DP
USB2_2_DM0
USB2_2_DP0
MICOM(IC3000)
UART0_TXD/GPIO105
UART0_RXD/GPIO106
SOC_TX
SOC_RX
IC7200
USB2.0
WIFI Combo
BT_RESET
BT_WAKEUP_DEVICE
BT_WAKEUP_HOST
OCP
IC4700
OCP
IC4501
+5V_NORMAL
+5V_NORMAL
JK4400
JK4600
USB2.0
IC101
USB2_1_DM0
USB2_1_DP0
SPI_CS1/GPIO32
SPI_DI1/GPIO35
8. USB / WIFI / M-REMOTE / UART

Related product manuals