EasyManua.ls Logo

LG GR-R491JCA - Temperature Sensor Circuit; Door Open Detection Circuit

LG GR-R491JCA
46 pages
Print Icon
To Next Page IconTo Next Page
To Next Page IconTo Next Page
To Previous Page IconTo Previous Page
To Previous Page IconTo Previous Page
Loading...
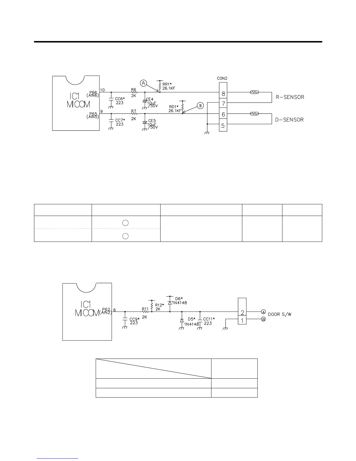
7-2-5 TEMPERATURE SENSOR CIRCUIT
The upper CIRCUIT reads REFRIGERATOR temperature and DEF-SENSOR temperature for defrosting into MICOM.
OPENING or SHORT state of each TEMPERATURE SENSOR are as follows.
7-2-6 DOOR OPEN DETECTION CIRCUIT
- 26 -
SENSOR CHECK POINT NORMAL(-30 °C ~ 50 °C)
SHORT-CIRCUITED
OPEN
Refrigerator Sensor POINT Voltage
0.5 V ~ 4.5 V 0 V 5 V
Defrosting Sensor POINT Voltage
A
B
Closed 0V
Open 5V
Measurement Location
Freezer / Refrigerator Door
(Pin No.13)

Related product manuals