EasyManua.ls Logo

LG LAN090HSV - Refrigerant Cycle Diagram

LG LAN090HSV
83 pages
Print Icon
To Next Page IconTo Next Page
To Next Page IconTo Next Page
To Previous Page IconTo Previous Page
To Previous Page IconTo Previous Page
Loading...
6RMI0-02A
31
Inverter Single
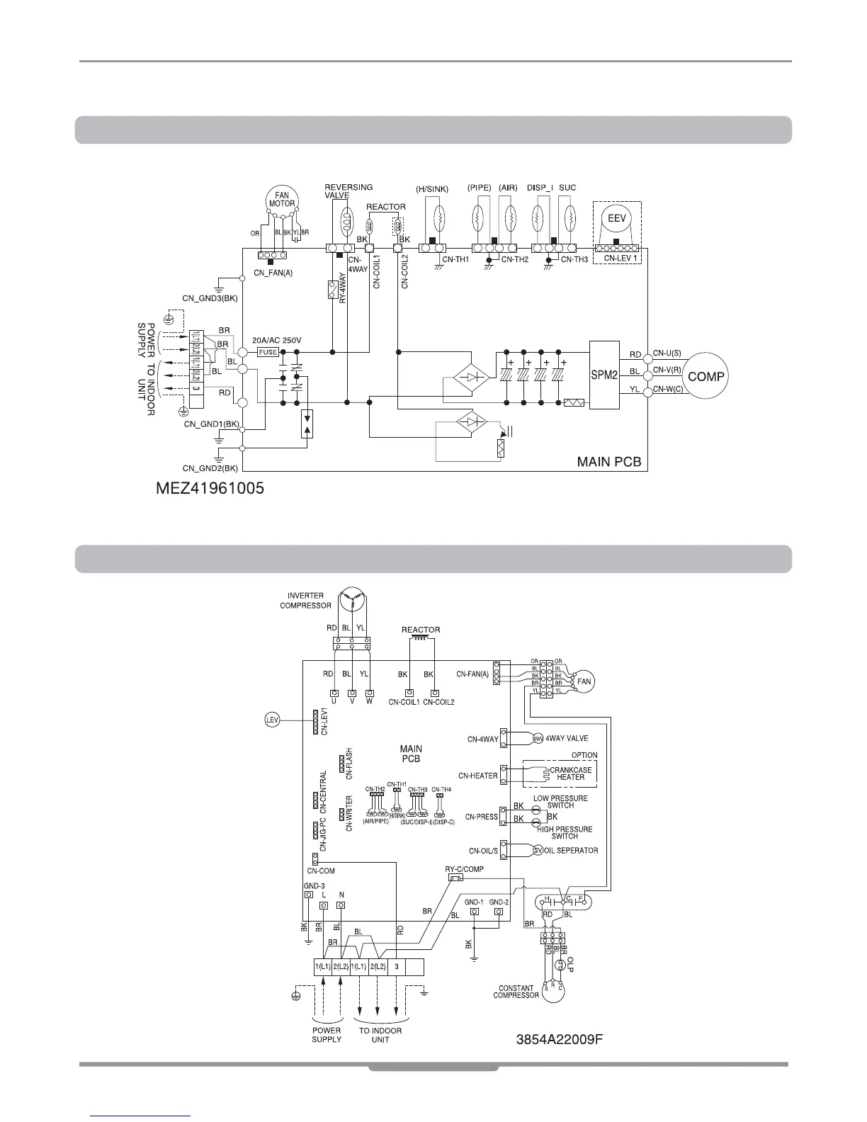
Wiring diagrams
Inverter Single
Models: ASUW303DGH1(LSU306HV)
Models: ASUW1838UH1(LAU186HV), ASUW2438UH1(LAU246HV), ASUW2435SZ1(LSU246HV)
Inverter Single

Related product manuals