EasyManua.ls Logo

LG OLED65C7P - Page 15

LG OLED65C7P
62 pages
Print Icon
To Next Page IconTo Next Page
To Next Page IconTo Next Page
To Previous Page IconTo Previous Page
To Previous Page IconTo Previous Page
Loading...
- 15 -
Copyright © LG Electronics Inc. All rights reserved.
Only for training and service purposes.
+3.3V_NORMAL
3.3K
NVRAM
3.3K
+3.3V_NORMAL
33Ω
+3.3V_NORMAL
3.3K
AUDIO AMP
100
TUNER (D emod)
2.7K
+3.3V_TU
33
MAIN SOC
MICOM
33 LNB
IR / KEY/EYE
100Ω
3.3K
E
YE_I2C_SDA
E
YE_I2C_SCL
+3.5V_ST
33pF
18pF
Cap Ready
I2C_SCL4: AJ21[SCL4]
I2C_SDA4: AH21[SDA4]
I2C_SCL1: AK22[SCL1]
I2C_SDA1: AJ22[SDA1]
I2C_SCL3: AH24[SCL3]
I2C_SDA3: AJ24[SDA3]
I2C_SCL0: AK23[SCL0]
I2C_SDA0: AJ23[SDA0]
I2C_SCL2: AH23[SCL2]
I2C_SDA2: AH22[SDA2]
I2C_SCL5: AH25[SCL5]
I2C_SDA5: AH26[SDA5]
Tuner
1.2KΩ (EU)
+3.3V_TU
33
47pF
+3.3V_NORMAL
3.3K
PMIC (EPI)
WAFER (Vx1)
33
AUDIO AMP
100
33pF
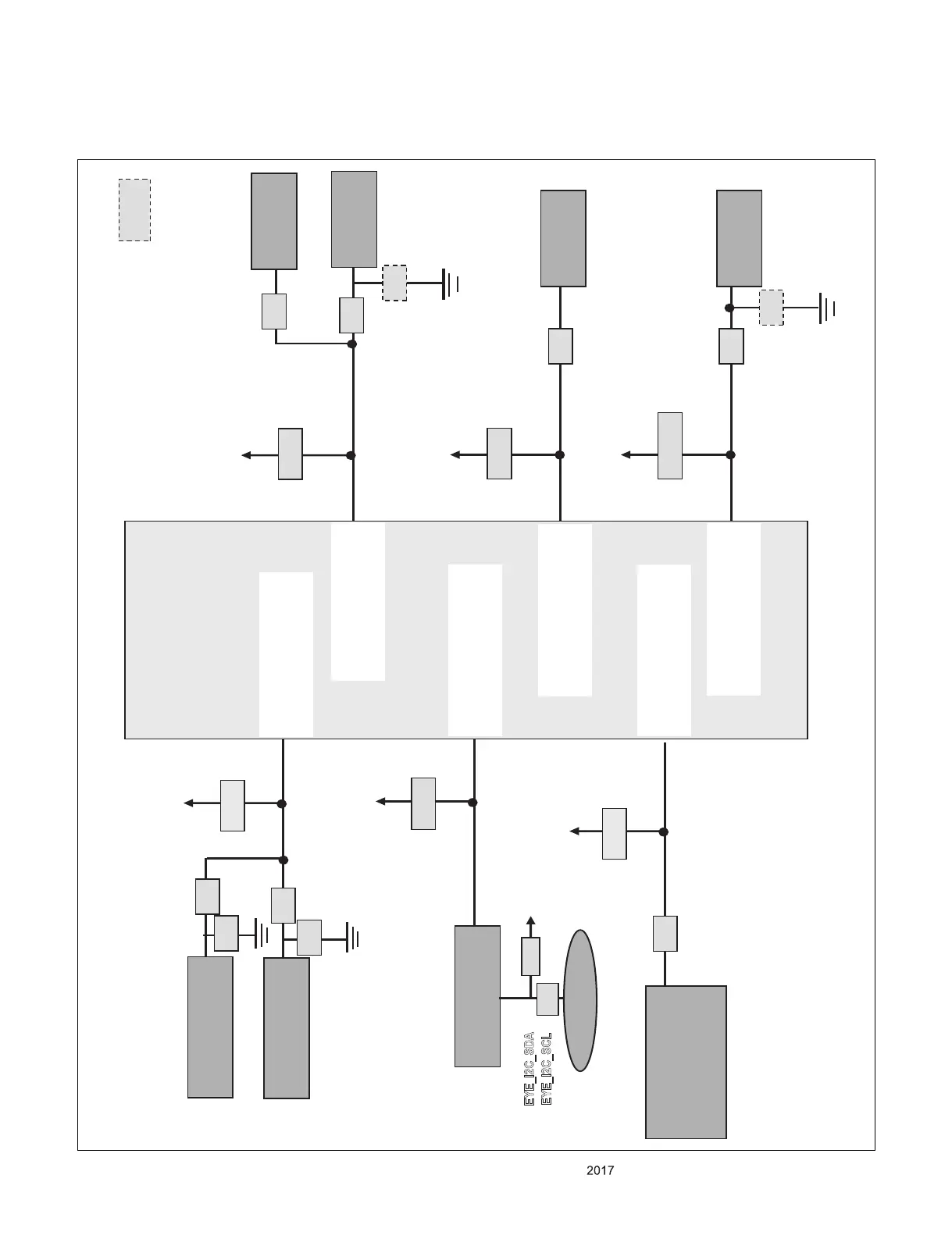
6. I2C Map

Other manuals for LG OLED65C7P

Related product manuals