EasyManua.ls Logo

Lonking CDM308 - Page 35

Default Icon
81 pages
Print Icon
To Next Page IconTo Next Page
To Next Page IconTo Next Page
To Previous Page IconTo Previous Page
To Previous Page IconTo Previous Page
Loading...
CHAPTER III MACHINE OPERATION
29
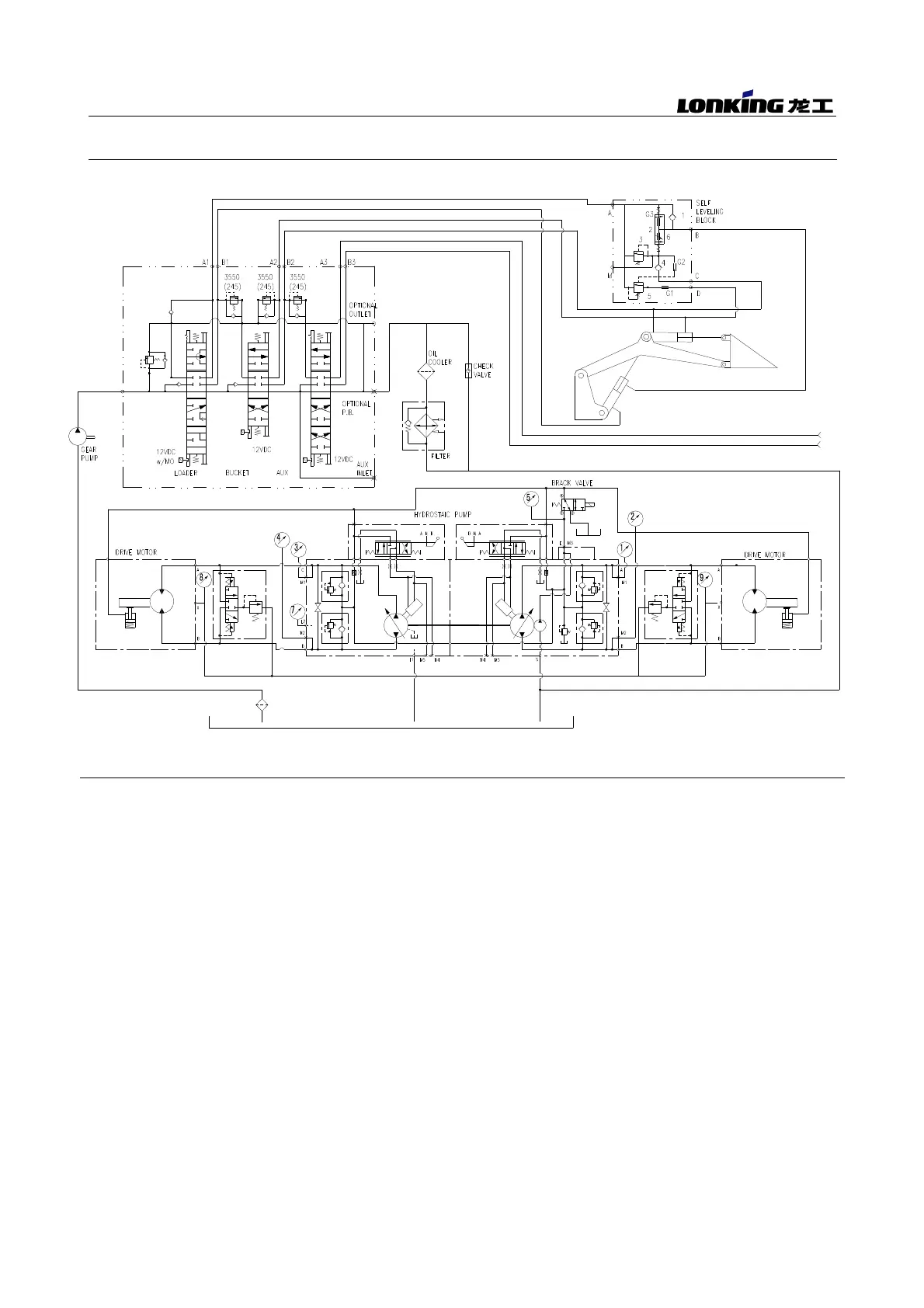
Figure 6 HYDRAULIC SYSTEM DIAGRAM

Related product manuals