EasyManua.ls Logo

Lonking CDM312 - Page 39

Default Icon
81 pages
Print Icon
To Next Page IconTo Next Page
To Next Page IconTo Next Page
To Previous Page IconTo Previous Page
To Previous Page IconTo Previous Page
Loading...
CHAPTER III MACHINE OPERATION
33
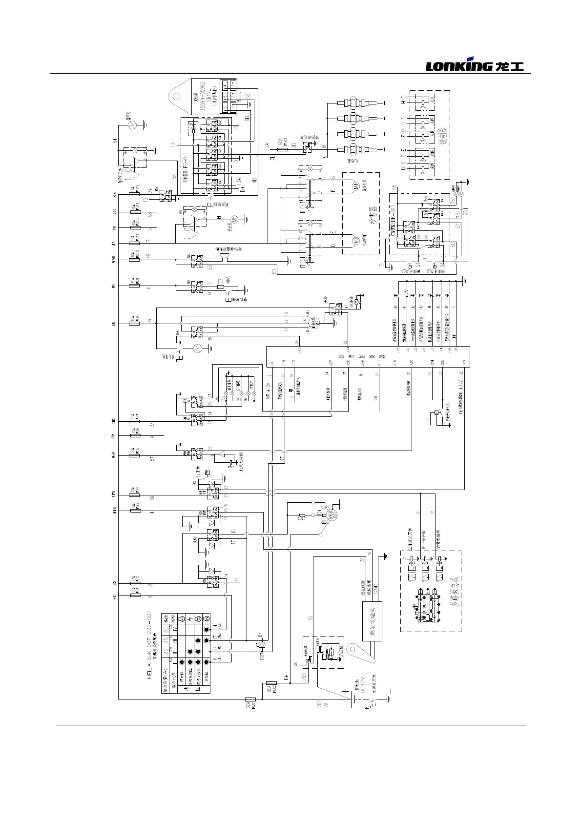
Figure 9 ELECTRICAL WIRING DIAGRAM

Related product manuals