EasyManua.ls Logo

Lonsonho QS-Zigbee-D02-TRIAC-2C-L - Manual Override

Lonsonho QS-Zigbee-D02-TRIAC-2C-L
16 pages
Print Icon
To Next Page IconTo Next Page
To Next Page IconTo Next Page
To Previous Page IconTo Previous Page
To Previous Page IconTo Previous Page
Loading...
INSTRUCTION MANUAL
2CH Zigbee Dimmer Module
QS-Zigbee-D02-TRIAC-2C-L
(Without Neutral)
TECHNICAL SPECIFICATIONS
Product type
Voltage
220-240V AC
Max. load
2X100W
Operation Frequency
2.4-2.484GHz IEEE 802.15.4
Operation temp. -10ºC - +40ºC
Protocol Zigbee 3.0
Operation rang 200 m
Dims (WxDxH) 46x46x18 mm
IP rating IP20
Warranty 2 years
Dimming typ Trailing Edge
2CH Zigbee
dimmer module
50mm
46mm
22.5mm
18mm
46mm
46mm
Global international operation Whenever & Wherever
You are, All-in-one Mobile App
Anywhere
APP
APP
Schedule timer Voice control-work
with google home
Voice control-work
with Amazon Alexa
Device Sharing
Inhouse local operation
Apps
APP
Router
Gateway
Voice control Push switches
INSTALLATION
Warnings:
1.
electrician in accordance with local regulations.
2. Keep the device out of reach of children.
3. Keep the device away from water , damp or hot
environment.
4. Install the device away from strong signal sources
such as microwave oven that may cause signal
interruption resulted to abnormal operation of the
device.
5. Obstruction by concrete wall or metallic
materials may reduce the effective operation
range of the device and should be avoided.
6. Do NOT attempt to disassemble,repair or modify
the device.
MANUAL OVERRIDE
The switch Dimmer terminal reserves the access of
manual override function for the end-user to switch
on/off,or adjust the light level by push-switch.
Short Push (<1s): permanent on/off function.
Long Push (>1s): adjust the brightness level.
Notes:
1) Both the adjustment on App and push switch can
overwrite each other, the last adjustment remains
in memory.
2) App control is synchronized with the manual switch.
3) The “S” terminals may be left unconnected if no
manual control is required.
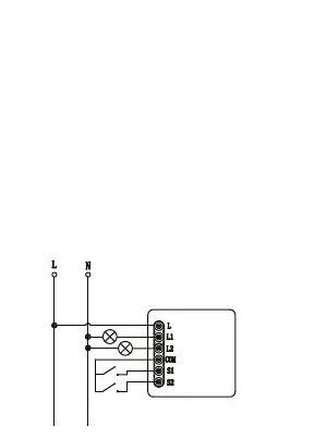
With one switch
Wiring Instructions and Diagrams
1. Turn off the power supply before carrying
out any electrical installation work.
eht ot gnidrocca seriw tcennoC .2
wiring diagram.
3. Insert the module into the junction box.
4. Turn on the power supply and
follow dimmer module conguration
instructions.
Without switch
With two switches
FAQ
Q1: What should I do if I can’t congure the dimmer
module?
a. Please check whether device is powered on.
b. Make sure the Zigbee gateway is available.
c. Whether it’s in good internet conditions.
d. Make sure the password entered in App is correct.
e. Make sure the wiring is correct.
Q3: What happens if the WIFI goes off?
You can still control the light connected the dimmer
module with your traditional switch and once WIFI is
active again the device connected to module will
connect automatically to your WIFI network.
Triac led light, incandescent lamp or halogen lamp.
Q5: How do I reset the device?
1. Press down the reset key for about 10 seconds until the
indicator light flash quickly for pairing.
2. Turn off the traditional button switch(the one connected
to the zigbee dimmer module).Then press and hold for
about 10 seconds until the indicator light flash quickly
for pairing.
Q4: What should I do if I change the WIFI network or
change the password?
You have to re-connect our Zigbee dimmer module
to the new Wi-Fi network accordingly as per the App
User Manual.
Q2: What device can be connected to the Zigbee dimmer
module?
APP USER MANUAL
iOS APP / Android APP
1
Scan the QR code to download Tuya Smart App,
or you can also search keyword “Tuya Smart”
at App Store or Googleplay to download App.
Reset Key
Indicator Light