EasyManua.ls Logo

LOUD Technologies FRS series - Page 2

LOUD Technologies FRS series
3 pages
Print Icon
To Next Page IconTo Next Page
To Next Page IconTo Next Page
To Previous Page IconTo Previous Page
To Previous Page IconTo Previous Page
Loading...
17
Owner’s Manual
Owner’s Manual
1+
1–
2–
2+
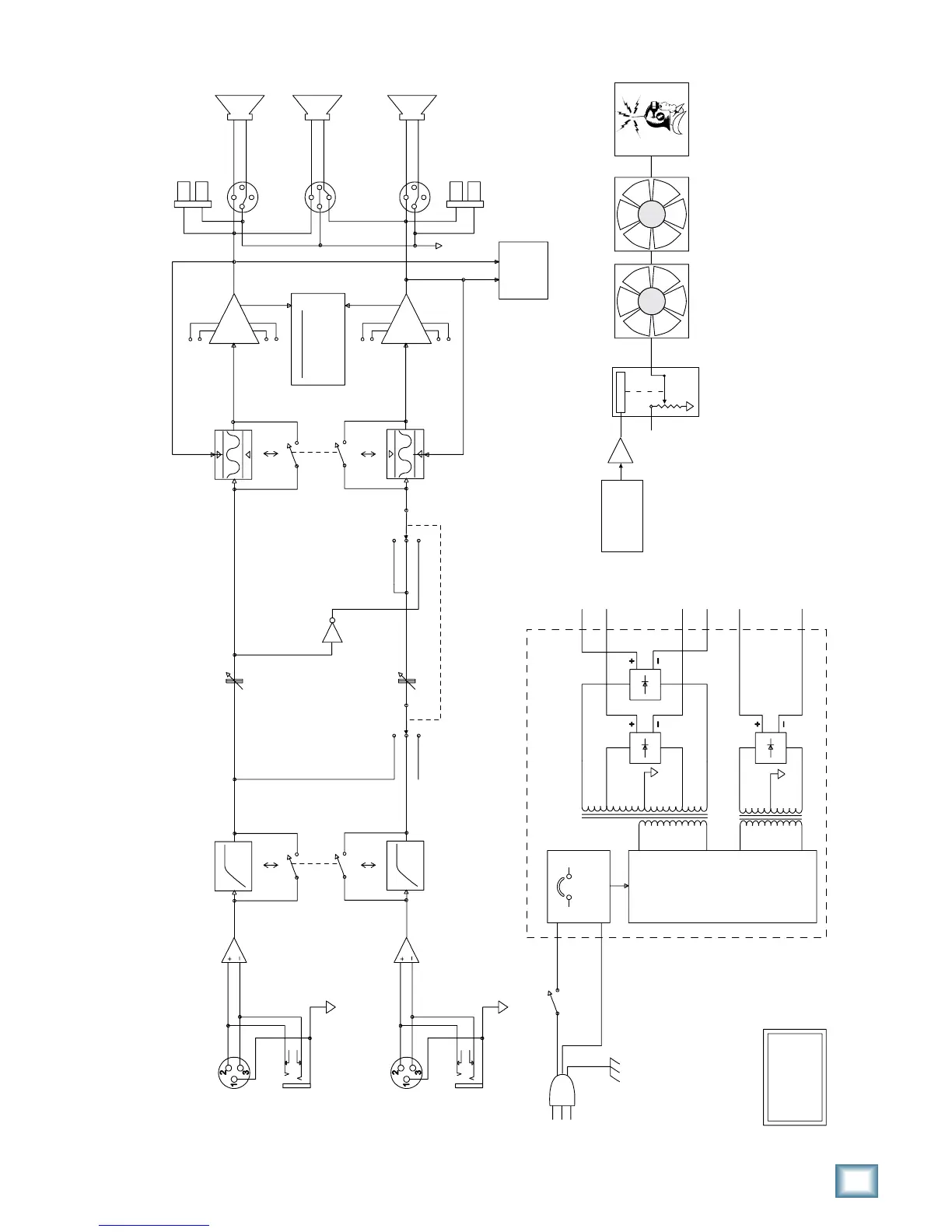
INPUT 1
BALANCED
LINE INPUT
(TRS)
INPUT 1
BALANCED
LINE INPUT
(XLR-F)
INPUT 2
BALANCED
LINE INPUT
(TRS)
FRS SERIES
BLOCK DIAGRAM
04.06.07
INPUT 2
BALANCED
LINE INPUT
(XLR-F)
STEREO
MONO
CHANNEL 2
LEVEL
CHANNEL 1
LEVEL
AMP
MODE
SWITCH
AMP
MODE
SWITCH
CLIP
LIMITER
BRIDGE
STEREO
MONO
BRIDGE
SUBSONIC
FILTER
ON
OFF
ON
OFF
ON
OFF
ON
HVDC+
POWER
AMP 1
POWER
AMP 2
PROTECTION
DC OFFSET
OVER TEMP
SHORT CIRCUIT
CURRENT LIMIT
AMPLIFIER
LVDC+
LVDC–
HVDC
HVDC+
LVDC+
LVDC–
HVDC
METER
DISPLAY
OFF
CHANNEL 1
SPEAKER
OUT
BRIDGED
SPEAKER
OUT
CHANNEL 2
SPEAKER
OUT
+
+
1+
1–
2–
2+
+
1+
1–
2–
2+
+
+
TEMP
SENSOR
(ON HEATSINK)
FAN
VARIABLE
SPEED
CONTROL
VDC+
POWER
SWITCH
SWITCHING POWER SUPPLY
HVDC+
LVDC+
LVDC
HVDC–
VDC+
VDC
120V/240V
JUMPER
SWITCHING
POWER
CONTROLLER
FAN FAN SPACEMAN
Block Diagram