EasyManua.ls Logo

LUCCI LD-CD52BN/BC - Page 61

LUCCI LD-CD52BN/BC
82 pages
Print Icon
To Next Page IconTo Next Page
To Next Page IconTo Next Page
To Previous Page IconTo Previous Page
To Previous Page IconTo Previous Page
Loading...
61
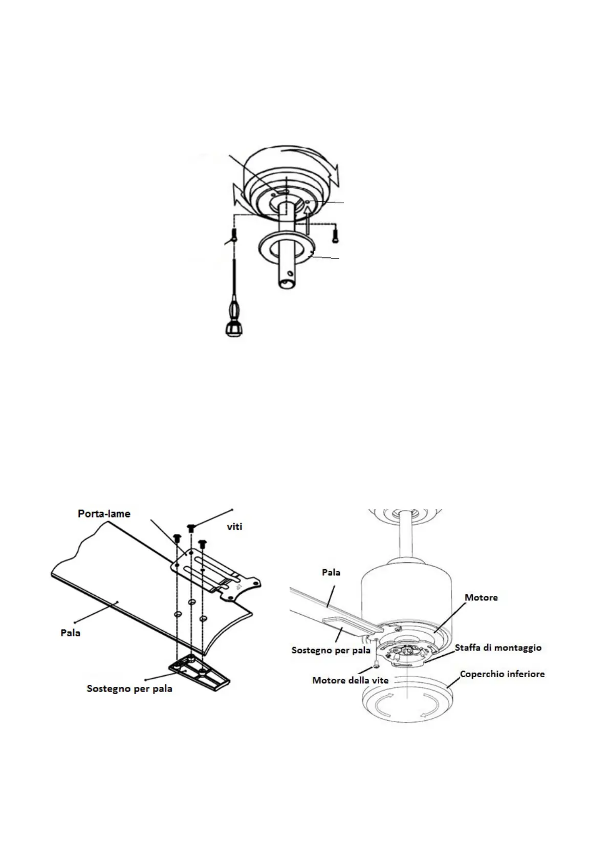
INSTALLAZIONE DEL COPERCHIO DELLA CALOTTA
Allentare 2 viti dal fondo della staffa di montaggio.
Far scorrere la calotta fino alla staffa di montaggio e posizionare i fori chiave sulla calotta in corrispondenza della
vite sulla staffa di montaggio, quindi ruotare la calotta finché non si blocca in posizione nella sezione a freccia dei
fori chiave e fissarla serrando le due viti. Evitare di danneggiare l'impianto elettrico preparato in precedenza.
Infine fissare il coperchio della calotta alla calotta e bloccarlo spingendo le linguette nei fori.
INSTALLAZIONE DELLA PALA
Attacare la pala al sostegno per pala e assicurare la pala al porta-lame serrando le 3 vite.
Attacare il montaggio di porta-lame al motore e assicurarlo serrando le 2 motore della vite.
Ripetere l’installazione delle altre pale.
Infine, installare il coperchio inferiore in rotazione nel senso orario per serrare il motore.
Fig. 7
Fori chiave
Fori per l'installazione
del coperchio della
Viti
Coperchio della calotta
Fig. 8
Fig. 9