EasyManua.ls Logo

Lucent DDM-2000 OC-3 - Page 1033

Lucent DDM-2000 OC-3
1224 pages
Print Icon
To Next Page IconTo Next Page
To Next Page IconTo Next Page
To Previous Page IconTo Previous Page
To Previous Page IconTo Previous Page
Loading...
DLP-546: Detailed Level Procedure 363-206-285
Page 9 of 20 Issue 2, February 2000
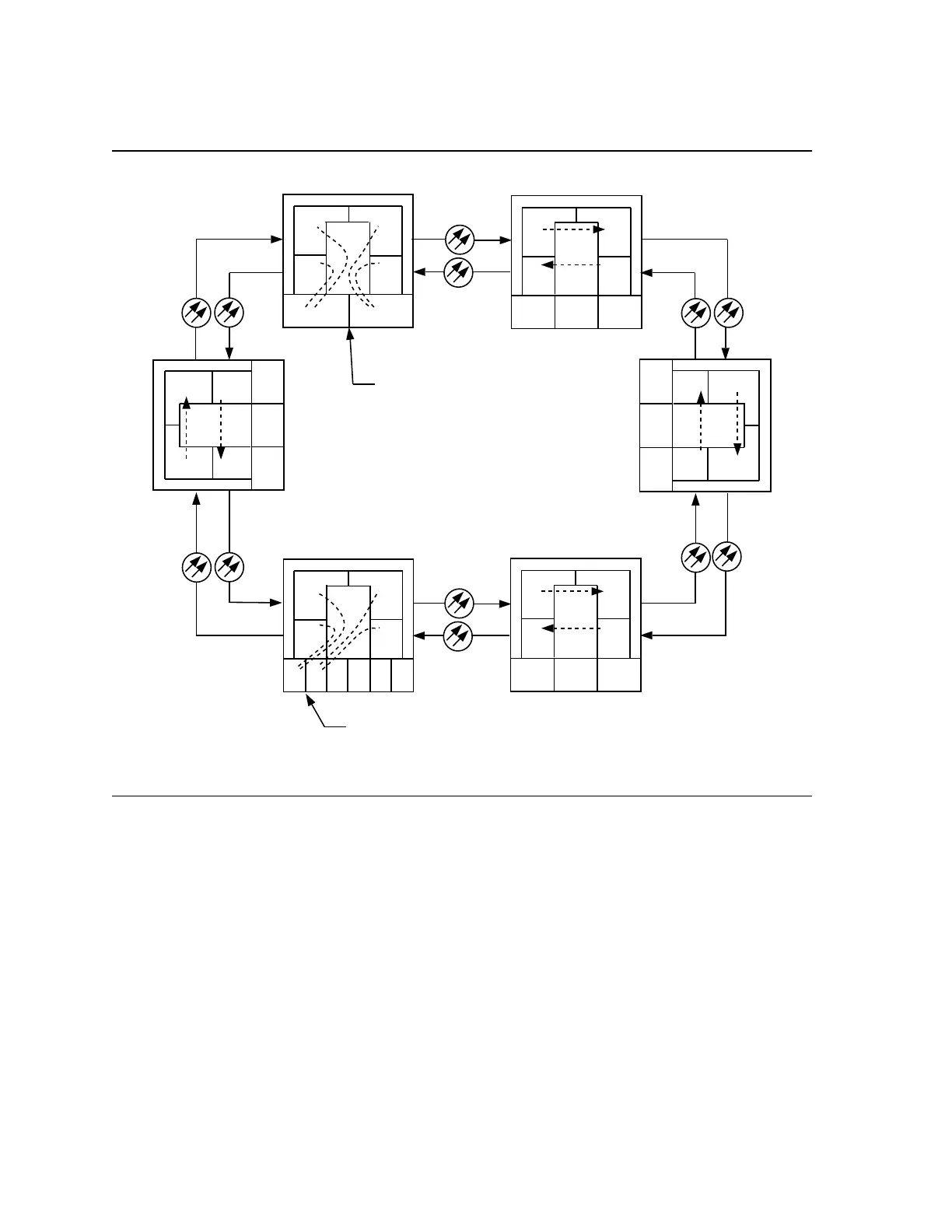
DDM-2000 OC-3 MULTIPLEXER
Figure 6 Path Protected OC-3 Ring Network (DS3 to DS3) with STS1
Cross-Connections
a to m-1 (ent-crs-sts1:a,m-1)
where:
a = address of DS3 circuit pack
in FUNCTION UNITS Group A
m-1 = address of STS #1
in MAIN OLIU
DS3
BBG19
IN
OUT
IN
OUT
IN
OUT
IN
OUT
IN
OUT
IN
OUT
IN
OUT
IN
OUT
Ring 1
Ring 2
IN
OUT
f to m-1 (ent-crs-sts1:f,m-1)
where:
f = address of DS3 circuit pack
in Function Units 1 & 2
m-1 = address of STS #1
in MAIN OLIU
DS3
BBG19 BBG19
m-1 to m-1
pass through connection
(ent-crs-sts1:m-1,m-1)
Node 3
DDM-2000 OC-3
MAIN 1
MAIN 2
TSI
A
B
C
m-1
m-2
m-3
m-1
m-2
m-3
m-1
m-2
m-3
m-1
m-2
m-3
Node 4
DDM-2000 OC-3
MAIN 2
MAIN 1
TSI
ABC
m-1
m-2
m-3
m-1
m-2
m-3
m-1
m-2
m-3
m-1
m-2
m-3
Node 2
DDM-2000 OC-3
MAIN 1
MAIN 2
TSI
ABC
m-1
m-2
m-3
m-1
m-2
m-3
m-1
m-2
m-3
m-1
m-2
m-3
MAIN 1
MAIN 2
TSI
A
B
C
m-1
m-2
m-3
m-1
m-2
m-3
m-1
m-2
m-3
m-1
m-2
m-3
Node 6
DDM-2000 OC-3
m-1 to m-1
pass through connection
(ent-crs-sts1:m-1,m-1)
m-1 to m-1
pass through connection
(ent-crs-sts1:m-1,m-1)
m-1 to m-1
pass through connection
(ent-crs-sts1:m-1,m-1)
MAIN 1
MAIN 2
Node 1
DDM-2000 FiberReach
FN-2
FN-1
m-1
m-2
m-3
m-1
m-2
m-3
m-1
m-2
m-3
m-1
m-2
m-3
Node 5
DDM-2000 OC-3
MAIN 2
MAIN 1
ABCABC
1112(P) 2(P) 2(P)
m-1
m-2
m-3
m-1
m-2
m-3
m-1
m-2
m-3
m-1
m-2
m-3
TSI
TSI