EasyManua.ls Logo

Lucent DDM-2000 OC-3 - Page 1035

Lucent DDM-2000 OC-3
1224 pages
Print Icon
To Next Page IconTo Next Page
To Next Page IconTo Next Page
To Previous Page IconTo Previous Page
To Previous Page IconTo Previous Page
Loading...
DLP-546: Detailed Level Procedure 363-206-285
Page 11 of 20 Issue 2, February 2000
DDM-2000 OC-3 MULTIPLEXER
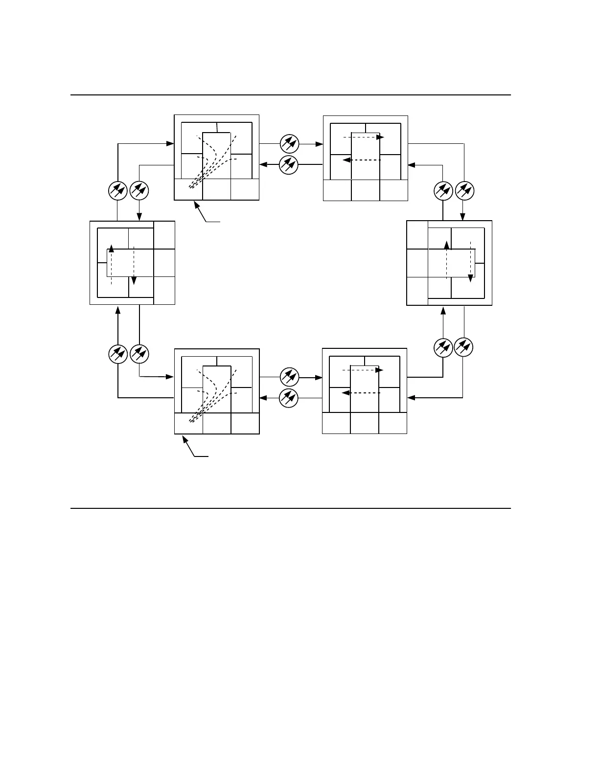
Figure 8 Path Protected OC-3 Ring Network (one DS1 to EC-1) with VT1.5
Cross-Connections
IN
OUT
IN
OUT
IN
OUT
IN
OUT
IN
OUT
IN
OUT
Ring 1
Ring 2
IN
OUT
TSI
a-1-1 to m-1-1-1
(ent-crs-vt1:a-1-1,m-1-1-1)
where:
a-1-1 = address of DS1 port 1,
circuit pack 1 in group A
m-1-1-1 = address of STS #1
in MAIN OLIU, VTG #1, VT #1
DS1
m-1-1-1 to m-1-1-1
pass through connection
(ent-crs-vt1:m-1-1-1,m-1-1-1)
a-1-1 to m-1-1-1
(ent-crs-vt1:a-1-1,m-1-1-1)
where:
EC-1
a-1-1 = address of VT1.5 channel
in STS1E circuit pack in group A
m-1-1-1 = address of STS #1
in MAIN OLIU, VTG #1, VT #1
MAIN 1
MAIN 2
Node 1
A
BC
m-1
m-2
m-3
m-1
m-2
m-3
m-1
m-2
m-3
m-1
m-2
m-3
TSI
STS1E
Node 5
MAIN 2
MAIN 1
A
BC
m-1
m-2
m-3
m-1
m-2
m-3
m-1
m-2
m-3
m-1
m-2
m-3
TSI
MXRVO
Node 2
MAIN 1
MAIN 2
ABC
m-1
m-2
m-3
m-1
m-2
m-3
m-1
m-2
m-3
m-1
m-2
m-3
m-1-1-1 to m-1-1-1
pass through connections
Node 4
MAIN 2
MAIN 1
TSI
ABC
m-1
m-2
m-3
m-1
m-2
m-3
m-1
m-2
m-3
m-1
m-2
m-3
Node 6
MAIN 1
MAIN 2
A
B
C
m-1
m-2
m-3
m-1
m-2
m-3
m-1
m-2
m-3
m-1
m-2
m-3
m-1-1-1 to m-1-1-1
pass through connections
Node 3
MAIN 1
MAIN 2
ABC
m-1
m-2
m-3
m-1
m-2
m-3
m-1
m-2
m-3
m-1
m-2
m-3
m-1-1-1 to m-1-1-1
pass through connections
IN
OUT
IN
OUT
TSI
TSI