EasyManua.ls Logo

Lucent DDM-2000 OC-3 - Page 1042

Lucent DDM-2000 OC-3
1224 pages
Print Icon
To Next Page IconTo Next Page
To Next Page IconTo Next Page
To Previous Page IconTo Previous Page
To Previous Page IconTo Previous Page
Loading...
363-206-285 Detailed Level Procedure: DLP-546
Issue 2, February 2000 Page 18 of 20
DDM-2000 OC-3 MULTIPLEXER
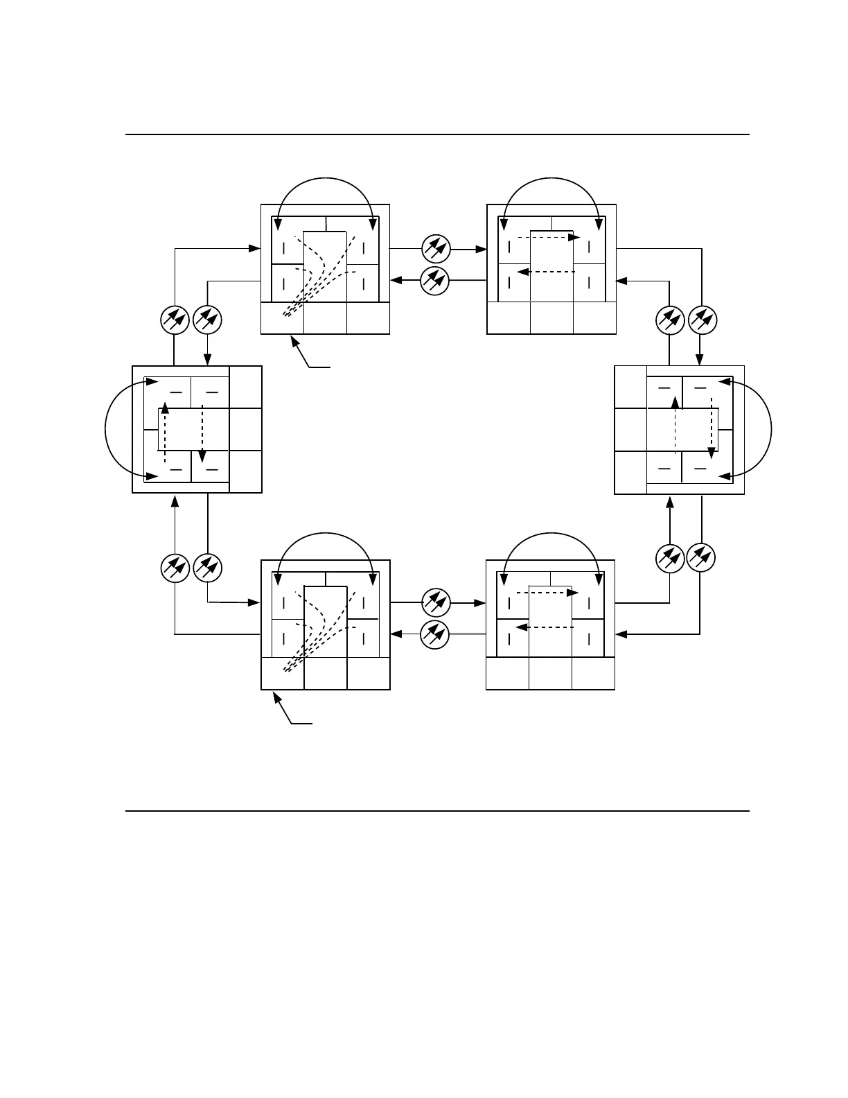
Figure 15 Path Protected Ring Network (LAN to DS1) (OC-3 with OC-12 Optics
with VT1.5 Cross-Connections
IN
OUT
IN
IN
OUT
OUT
IN
IN
OUT
OUT
IN
OUT
IN
OUT
Ring 1
Ring 2
IN
OUT
TSI
a-1-1 to m-3-1-1
(ent-crs-vt1:a-1-1,m-3-1-1)
where:
a-1-1 = address of DS1 port 1, in IMA LAN
circuit pack in LOW SPEED GROUP A
m-3-1-1 = address of STS #3
in MAIN OLIU
,
VTG #1
,
VT #1
DS1
m-3-1-1 to m-3-1-1
pass through connection
(ent-crs-vt1:m-3-1-1,m-3-1-1)
a-1-1 to m-3-1-1
(ent-crs-vt1:a-1-1,m-3-1-1)
where:
DS1
a-1-1 = address of VT1.5 channel
in DS1 circuit pack in group A
m-3-1-1 = address of STS #3
in MAIN OLIU, VTG #1, VT #1
MAIN 1
MAIN 2
Node 1
A
BC
TSI
MXRVO
Node 5
MAIN 2
MAIN 1
A
BC
TSI
MXRVO
Node 2
MAIN 1
MAIN 2
ABC
m-3-1-1 to m-3-1-1
pass through connections
Node 4
MAIN 2
MAIN 1
TSI
ABC
Node 6
MAIN 1
MAIN 2
A
B
C
m-3-1-1 to m-3-1-1
pass through connections
Node 3
MAIN 1
MAIN 2
ABC
m-3-1-1 to m-3-1-1
pass through connections
IN
OUT
IN
OUT
TSI
TSI
m-1
m-12 m-12
m-12 m-12
m-1
m-1
m-1
m-1
m-12 m-12
m-12 m-12
m-1
m-1
m-1
m-1
m-12 m-12
m-12 m-12
m-1
m-1
m-1
m-1
m-12 m-12
m-12 m-12
m-1
m-1
m-1
m-1
m-12
m-12
m-12
m-12
m-1
m-1
m-1
m-1
m-12 m-12
m-12 m-12
m-1
m-1
m-1
Faceplate Connector
Passes Through
Undropped STSs
OC-12 Path Switched Ring with
OC-3 Shelves with OC-12 Optics