EasyManua.ls Logo

Lucent DDM-2000 OC-3 - Page 1103

Lucent DDM-2000 OC-3
1224 pages
Print Icon
To Next Page IconTo Next Page
To Next Page IconTo Next Page
To Previous Page IconTo Previous Page
To Previous Page IconTo Previous Page
Loading...
DLP-554: Detailed Level Procedure 363-206-285
Page 11 of 22 Issue 2, February 2000
DDM-2000 OC-3 MULTIPLEXER
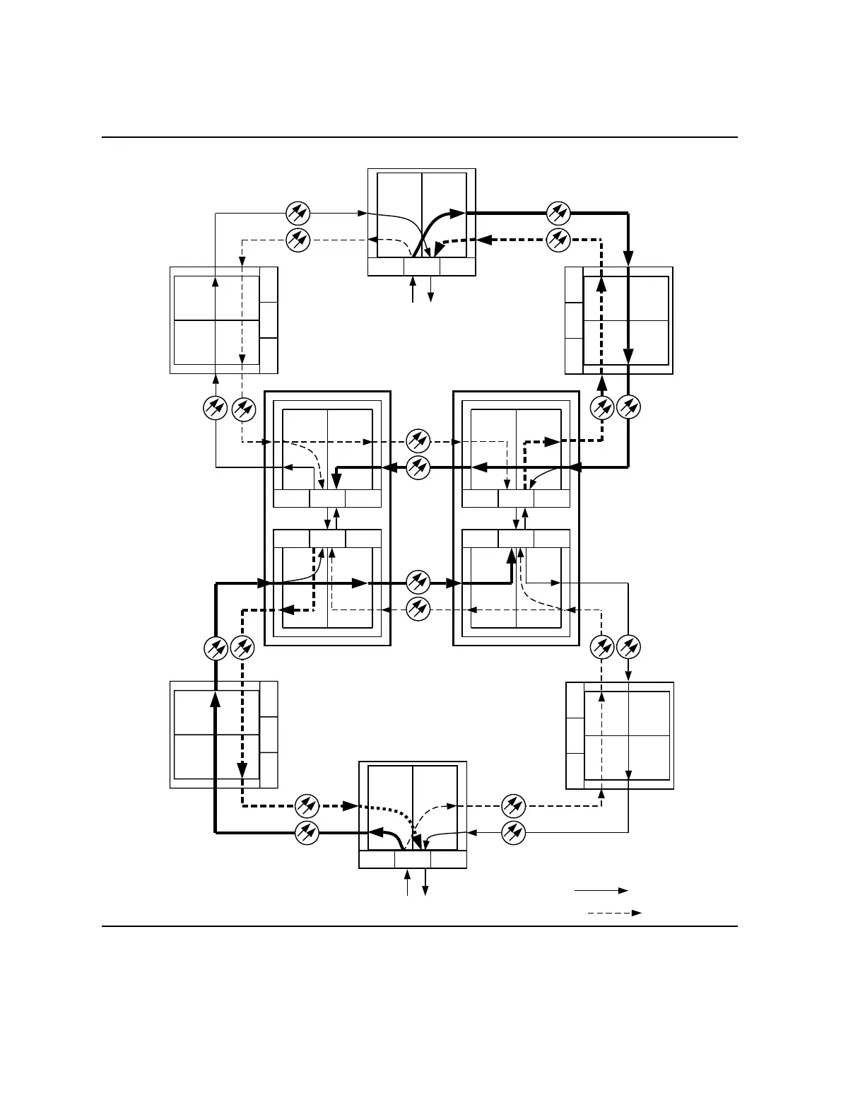
Figure 4 Example of DS1 Transmission Test in Dual Ring Interworking
Network
Ring 1
Ring 2
Ring 1
Ring 2
IN
OUT
IN
OUT
MAIN 2
OLIU
MAIN 1
OLIU
ABC
IN
OUT
IN
OUT
MAIN 2
OLIU
MAIN 1
OLIU
IN
OUT
IN
OUT
MAIN 2
OLIU
MAIN 1
OLIU
ABC
IN
OUTIN
OUT
MAIN 2
OLIU
MAIN 1
OLIU
AB C
EC-1/IS-3/
OC-3
ABC
CO 1 CO 2
DS1 or DS3
MAIN 2
OLIU
MAIN 1
OLIU
A
BC
IN OUT
INOUT
Ring 2
Ring 1
DS1 or DS3
MAIN 1
OLIU
MAIN 2
OLIU
A
BC
IN OUT
INOUT
Ring 2
Ring 1
RT 5
RT 2
rtrv-state-path command
indicates Ring 1 active.
sw-path-sts1 or sw-path-vt1
used to switch path.
rtrv-state-path command
indicates Ring 2 active.
sw-path-sts1 or sw-path-vt1
used to switch path.
rtrv-state-path command
indicates Ring 2 active.
sw-path-sts1 or sw-path-vt1
used to switch path.
RING 2 ACTIVE
RING 1 ACTIVE
RING 1 ACTIVE
RING 1 ACTIVE
RING 1 ACTIVE
rtrv-state-path command
indicates Ring 1 active.
sw-path-sts1 or sw-path-vt1
used to switch path.
RING 2 ACTIVE
Ring 1
Ring 2
EC-1/IS-3/
OC-3
MAIN 1
OLIU
MAIN 2
OLIU
A
B
C
IN
OUT
IN
OUT
RT 4
m-1 to m-1
pass through connection
(ent-crs-sts1:m-1,m-1)
Ring 1
Ring 2
MAIN 1 MAIN 2
OLIU OLIU
A
BC
IN OUT
INOUT
RT 6
m-1 to m-1
pass through connection
(ent-crs-sts1:m-1,m-1)
Ring 1
Ring 2
Ring 1
Ring 2
MAIN 1 MAIN 2
A
B
C
IN
OUT
IN
OUT
RT 1
m-1 to m-1
pass through connection
(ent-crs-sts1:m-1,m-1)
MAIN 1 MAIN 2
A
BC
IN OUT
INOUT
RT 3
m-1 to m-1
pass through connection
(ent-crs-sts1:m-1,m-1)
Ring 1
Ring 2
OLIU OLIU
OLIU
OLIU