EasyManua.ls Logo

Lucent DDM-2000 OC-3 - Page 1141

Lucent DDM-2000 OC-3
1224 pages
Print Icon
To Next Page IconTo Next Page
To Next Page IconTo Next Page
To Previous Page IconTo Previous Page
To Previous Page IconTo Previous Page
Loading...
363-206-285 Detailed Level Procedure: DLP-557
Issue 2, February 2000 Page 17 of 22
DDM-2000 OC-3 MULTIPLEXER
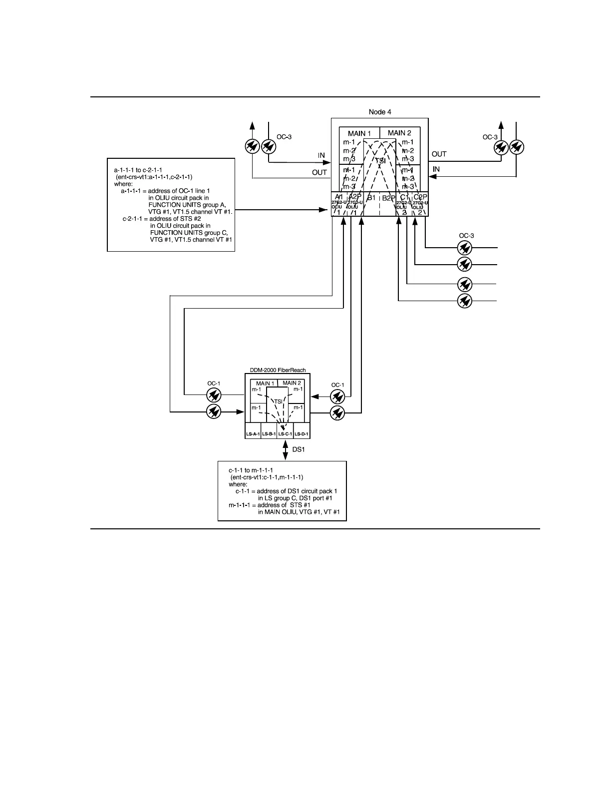
Figure 13 Example of OC-3 Single Homing Function Unit Local Drop Hairpin
(OLIU to OLIU) Cross-connections