EasyManua.ls Logo

Lucent DDM-2000 OC-3 - Page 184

Lucent DDM-2000 OC-3
1224 pages
Print Icon
To Next Page IconTo Next Page
To Next Page IconTo Next Page
To Previous Page IconTo Previous Page
To Previous Page IconTo Previous Page
Loading...
363-206-285 Circuit Order: NTP-018
Issue 2, February 2000 Page 8 of 10
DDM-2000 OC-3 MULTIPLEXER
DO ITEMS BELOW IN ORDER LISTED . . . . .FOR DETAILS, GO TO
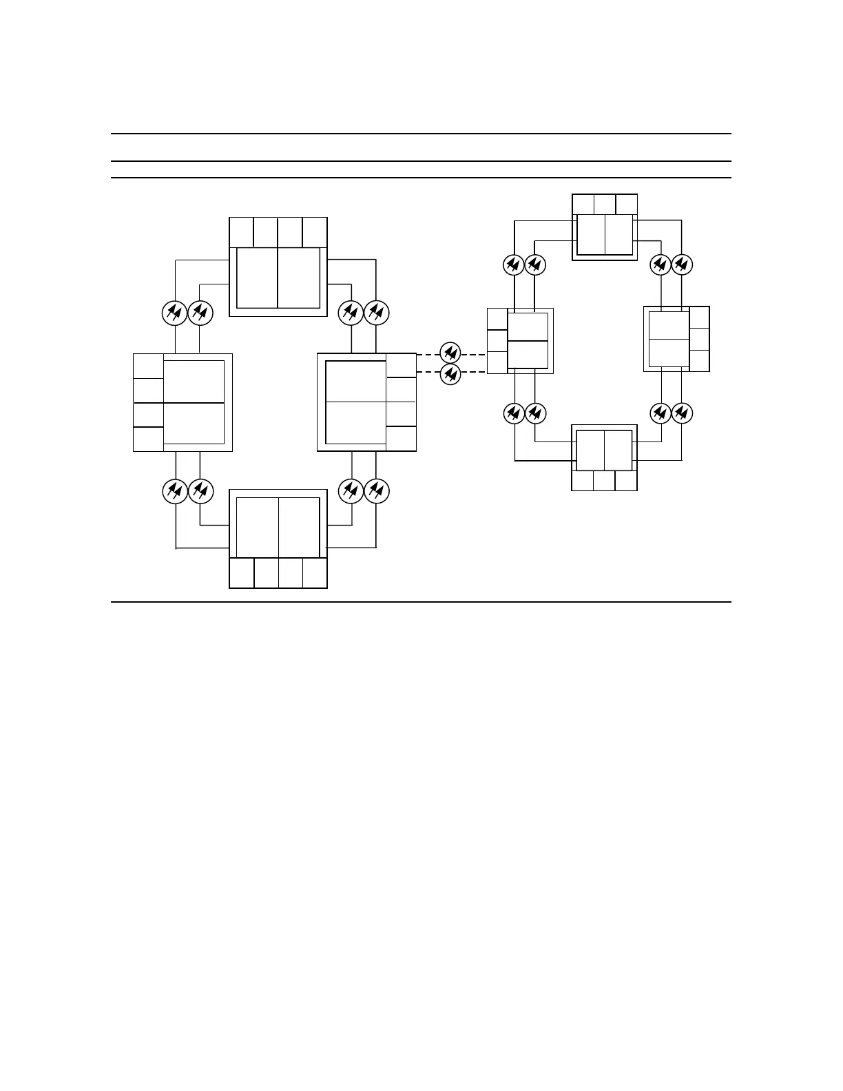
Figure 1 Adding New OC-3 Optical Span Extension OC-3 Ring to OC-12 Ring
Existing OC-12 Ring
MAIN B1MAIN B2
FN A FN B FN C FN D
MAIN B1 MAIN B2
FN A FN B FN C FN D
Existing OC-3 Ring
MAIN 1MAIN 2
FN A FN B FN C
MAIN 1 MAIN 2
FN A FN B FN C
New OC-3
Optical Span