EasyManua.ls Logo

Lucent DDM-2000 OC-3 - Page 400

Lucent DDM-2000 OC-3
1224 pages
Print Icon
To Next Page IconTo Next Page
To Next Page IconTo Next Page
To Previous Page IconTo Previous Page
To Previous Page IconTo Previous Page
Loading...
363-206-285 Circuit Order: NTP-042
Issue 2, February 2000 Page 10 of 12
DDM-2000 OC-3 MULTIPLEXER
DO ITEMS BELOW IN ORDER LISTED . . . . .FOR DETAILS, GO TO
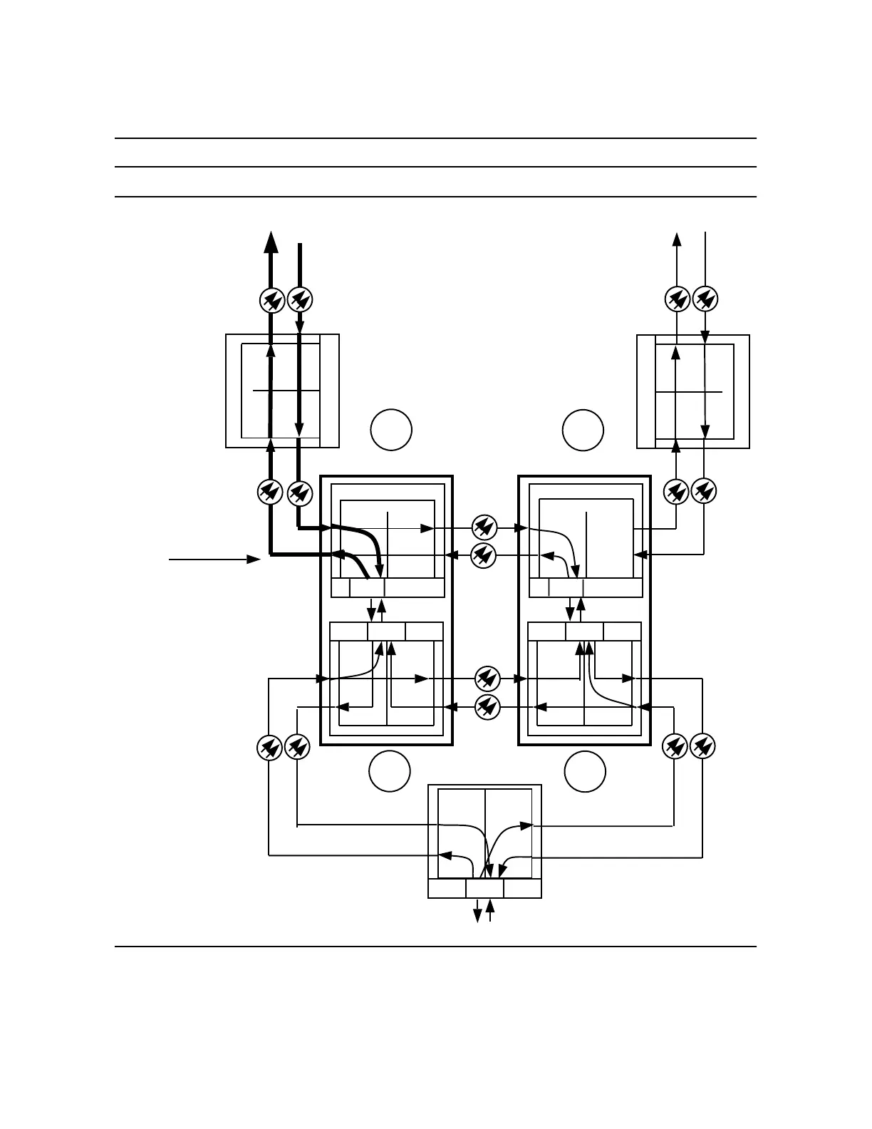
Figure 1 OC-3/OC-48 DRI Interworking
IN
OUT
IN
OUT
MAIN 2
OLIU
MAIN 1
OLIU
AC
IN
OUTIN
OUT
MAIN 2
OLIU
MAIN 1
OLIU
AC
EC-1 OC-3
MAIN 2
OLIU
MAIN 1
OLIU
A
BC
IN OUT
IN
OUT
RT 1
Ring 1
Ring 2 Ring 2
Ring 1
CO 1 CO 2
FT-2000 OC-48 line switched ring
RCVR
TRMTR
RCVR
TRMTR
DS1, DS3, EC-1
RCVR
TRMTR
RCVR
TRMTR
TRMTR/RCVR
TRMTR/RCVR
Primary Node
Secondary Node
OLIU
STS1E
A
B
D
C
OLIU
STS1E
Traffic carried
thru Primary
node