EasyManua.ls Logo

Lucent DDM-2000 OC-3 - Page 480

Lucent DDM-2000 OC-3
1224 pages
Print Icon
To Next Page IconTo Next Page
To Next Page IconTo Next Page
To Previous Page IconTo Previous Page
To Previous Page IconTo Previous Page
Loading...
363-206-285 System Turnup: NTP-050
Issue 2, February 2000 Page 10 of 14
DDM-2000 OC-3 MULTIPLEXER
DO ITEMS BELOW IN ORDER LISTED . . . . .FOR DETAILS, GO TO
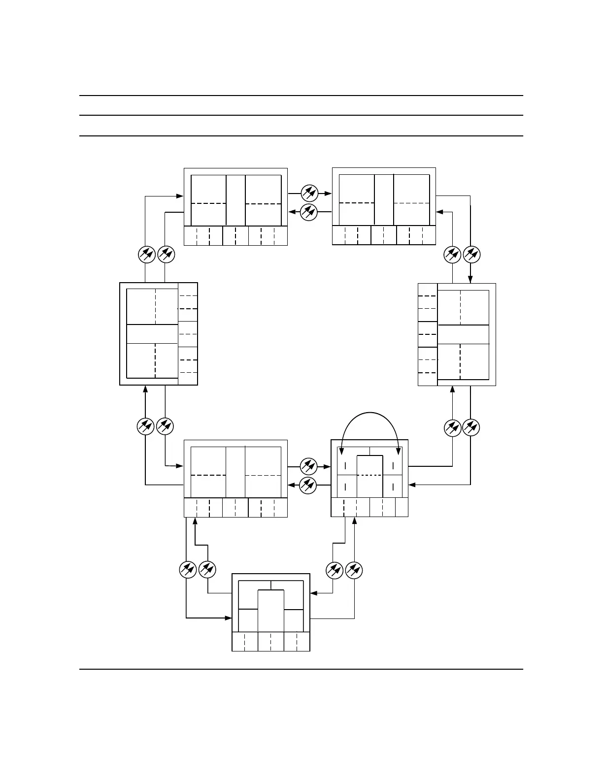
Figure 1 Example Dual-Homed OC-3/OC-12 Ring Configuration
IN
OUT
IN
OUT
Node 5
OC-12
OC-12
DDM-2000 OC-12 Ring
IN
OUT
MAIN B1
23G/23G-U
OLIU
MAIN B2(P)
23G/23G-U
OLIU
A
BC
C
B
11
1
2(P)
2(P)
2(P)
A
D
D
1
2(P)
TSI
TSI
A
BC
C
B
1
1
2(P)
2(P)2(P)
A
OC-3
OC-3
1
DDM-2000 OC-12
Node 4
DDM-2000
OC-12
OC-12
Node 1
MAIN B2(P)
23G/23G-U
OLIU
MAIN B1
23G/23G-U
OLIU
A
BC
21G-U
OLIU
C
B
1
1
2(P)
2(P)
2(P)
A
D
D
1
2(P)
TSI
DDM-2000 OC-12
Node 2
MAIN B2(P)
23G/23G-U
OLIU
MAIN B1
23G/23G-U
OLIU
A
BC
21G-U
OLIU
C
B
1
1
2(P)
2(P)
2(P)
A
D
D
1
2(P)
TSI
DDM-2000 OC-12
IN
IN
IN
OC-12
OUT
OUT
OUT
Node
3
MAIN B2(P)
23G/23G-U
OLIU
MAIN B1
23G/23G-U
OLIU
A
B
C
21G-U
OLIU
C
B
1
1
2(P)
2(P)
2(P)
A
D
D
1
2(P)
TSI
DDM-2000 OC-12
Node 6
MAIN B2(P)
23G/23G-U
OLIU
MAIN B1
23G/23G-U
OLIU
A
B
C
21G-U
OLIU
C
B
1
1
2(P)
2(P)
2(P)
A
D
D
1
2(P)
TSI
DDM-2000 OC-12
OC-12
OC-12
NODE 7
DDM-2000 OC-3
MAIN 1
MAIN 2
A
BC
CB
1
1
2(P)
2(P)
A
1
2(P)
MAIN 2
MAIN 1
TSI
m-1
m-12 m-12
m-12 m-12
m-1
m-1
m-1
Faceplate Connector
Passes Through
Undropped STSs
OC-3 Shelf with
OC-12 Optics