EasyManua.ls Logo

Lucent DDM-2000 OC-3 - Page 529

Lucent DDM-2000 OC-3
1224 pages
Print Icon
To Next Page IconTo Next Page
To Next Page IconTo Next Page
To Previous Page IconTo Previous Page
To Previous Page IconTo Previous Page
Loading...
NTP-055: System Turnup 363-206-285
Page 9 of 10 Issue 2, February 2000
DDM-2000 OC-3 MULTIPLEXER
DO ITEMS BELOW IN ORDER LISTED. . . . . FOR DETAILS, GO TO
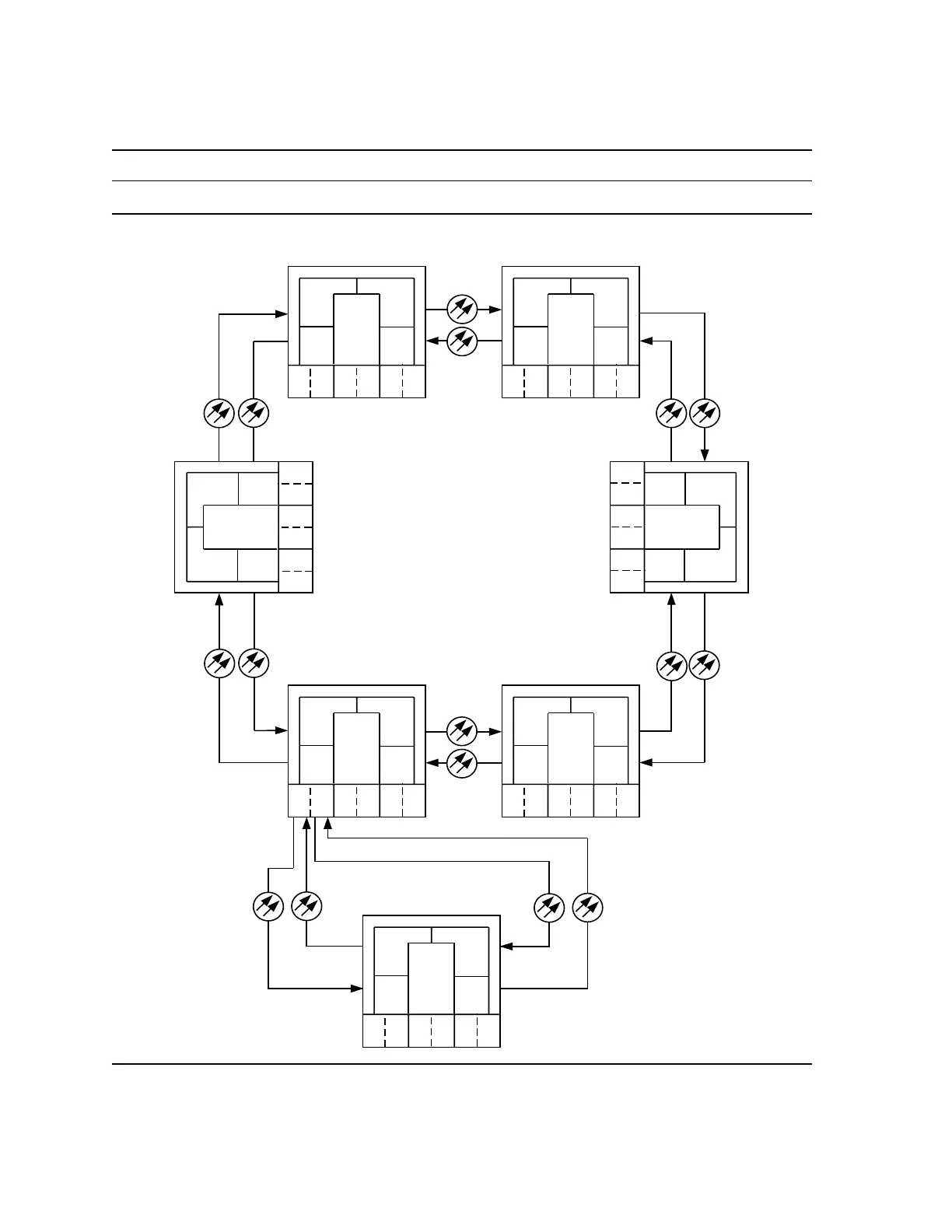
Figure 1 Example Single-Home Ring Configuration Connections
IN
OUT
IN
OUT
OC-3
OC-3
IN
OUT
Node 7
OC-3
OC-3
DDM-2000 OC-3
OC-3
Node 1
DDM-2000 OC-3
Node 5
DDM-2000 OC-3
Node 2
DDM-2000 OC-3
Node 4
DDM-2000 OC-3
Node 3
DDM-2000 OC-3
Node 6
DDM-2000 OC-3
IN
OC-3
OUT
OC-3
OC-3
IN
OUT
OUT
IN
TSI
MAIN 1
MAIN 2
A
BC
CB
1
1
2(P)
2(P)
A
1
2(P)
TSI
MAIN 1
MAIN 2
A
BC
CB
1
1
2(P)
2(P)
A
1
2(P)
TSI
MAIN 1
MAIN 2
A
BC
CB
1
1
2(P)
2(P)
A
1
2(P)
TSI
MAIN 1
MAIN 2
A
BC
CB
1
1
2(P)
2(P)
A
1
2(P)
TSI
MAIN 1
MAIN 2
A
B
C
C
B
1
1
2(P)
2(P)
A
1
2(P)
TSI
MAIN 1
MAIN 2
A
BC
CB
1
1
2(P)
2(P)
A
1
2(P)
TSI
MAIN 1
MAIN 2
A
BC
CB
1
1
2(P)
2(P)
A
1
2(P)
DDM-2000 OC-3 Ring