EasyManua.ls Logo

Lucent DDM-2000 OC-3 - Page 556

Lucent DDM-2000 OC-3
1224 pages
Print Icon
To Next Page IconTo Next Page
To Next Page IconTo Next Page
To Previous Page IconTo Previous Page
To Previous Page IconTo Previous Page
Loading...
363-206-285 Circuit Order: NTP-058
Issue3,June2001 Page2of6
DDM-2000 OC-3 MULTIPLEXER
DO ITEMS BELOW IN ORDER LISTED . . . . .FOR DETAILS, GO TO
NOTE:
You may also contact Lucent Technologies to provide this
in-service upgrade. Experienced Lucent Technologies
installers will help you plan and execute the network
upgrade. For more information, contact your Lucent
Technologies Account Representative.
Use the rtrv-alm: command at the OC-12 ring to verify that no
alarms, locks, or switches are present.
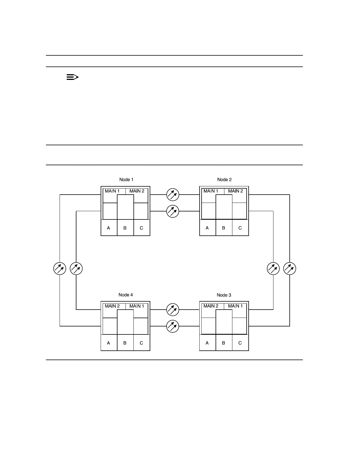
Figure 1 Example of OC-12 24-Type to OC-12 29-Type Ring Upgrade