EasyManua.ls Logo

Lucent DDM-2000 OC-3 - Page 907

Lucent DDM-2000 OC-3
1224 pages
Print Icon
To Next Page IconTo Next Page
To Next Page IconTo Next Page
To Previous Page IconTo Previous Page
To Previous Page IconTo Previous Page
Loading...
DLP-523: Detailed Level Procedure 363-206-285
Page 25 of 30 Issue 2, February 2000
DDM-2000 OC-3 MULTIPLEXER
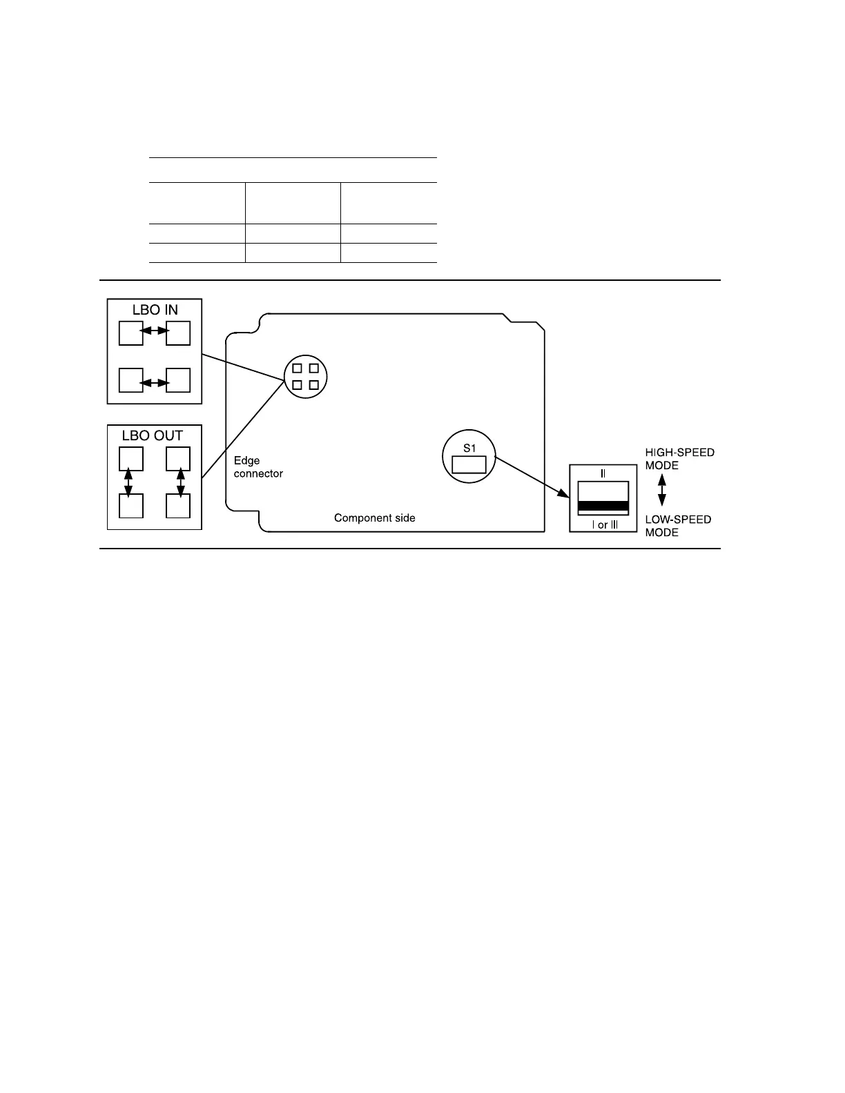
Figure 6 BBG6 STS1E Option Settings
Table L STS1E LBO Settings
Cable Length (Ft)
734A
Cable
735A
Cable LBO Setting
0 to 225 0 to 125 LBO IN
>225 to 450 >125 to 250 LBO OUT