EasyManua.ls Logo

Lunar Venus - Page 41

Lunar Venus
98 pages
Print Icon
To Next Page IconTo Next Page
To Next Page IconTo Next Page
To Previous Page IconTo Previous Page
To Previous Page IconTo Previous Page
Loading...
41
SERVICES
Roof-mounted Flue installations
All flue installations should be inspected
once a year throughout their length for
corrosion. Flues should be replaced if any
sign of perforation is found. Ensure that the
replacement is of an approved type.
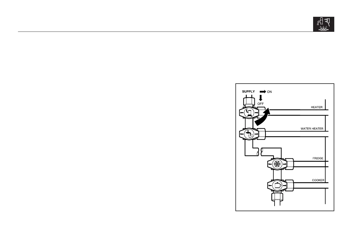
CONNECTION
Ensure that the gas regulator is correctly
connected to the gas cylinder in gas bottle
compartment and that the hose is tight.
Before turning on the gas supply, ensure that
all gas operated equipment in the caravan is
turned off.
Safety Hints
It is advisable to TURN OFF THE MAIN
VALVE on the gas container when the
caravan is left unattended for a period or
is on tow, except where continuous
operation appliances (such as a
refrigerator) are in use. AVOID NAKED
LIGHTS when connecting or changing a
container. Make sure all appliances are
turned off.
Space Heating Appliances
Space heating appliances are to be
completely extinguished before the caravan
is moved and are not to be used when the
caravan is in motion. Portable heaters should
not be used.
Manifold Locations
Heater and Water Heater manifold located
underneath front O/S bed towards bulkhead.
Cooker and Fridge manifold located within
compartment below cooker.