EasyManua.ls Logo

Mackie M48 - Page 9

Mackie M48
11 pages
Print Icon
To Next Page IconTo Next Page
To Next Page IconTo Next Page
To Previous Page IconTo Previous Page
To Previous Page IconTo Previous Page
Loading...
Owners Manual
9
Owner’s Manual
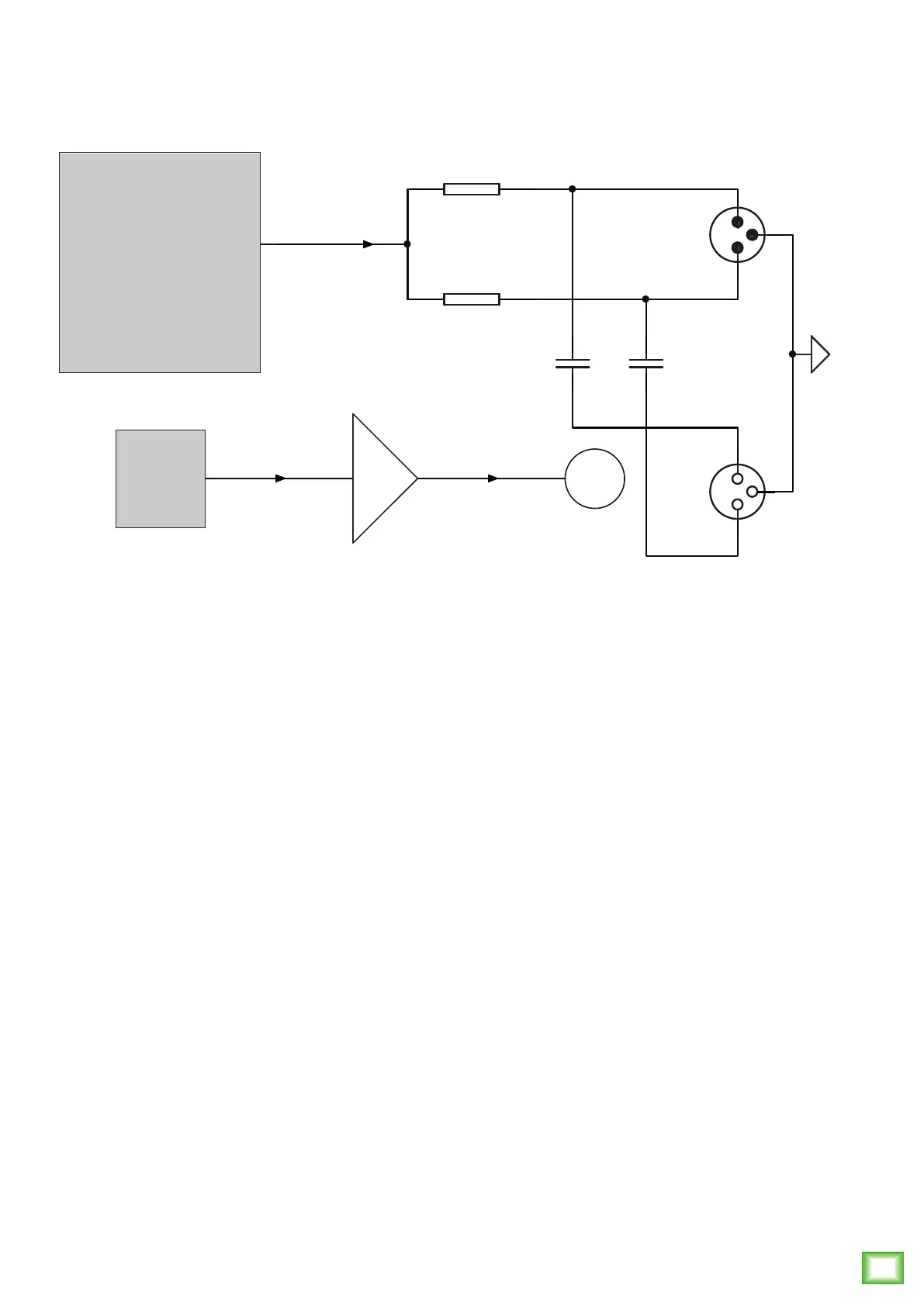
M48 48V Power Supply Block Diagram
2
3
1
XLR OUT
2 3
1
XLR IN
CAPCAP
FIXED RESISTANCE
FIXED RESISTANCE
Triangle Circle
48V
generator
Random
gray box