EasyManua.ls Logo

Makita 9921 - Page 11

Makita 9921
16 pages
Print Icon
To Next Page IconTo Next Page
To Next Page IconTo Next Page
To Previous Page IconTo Previous Page
To Previous Page IconTo Previous Page
Loading...
Nav.-12-'98
US
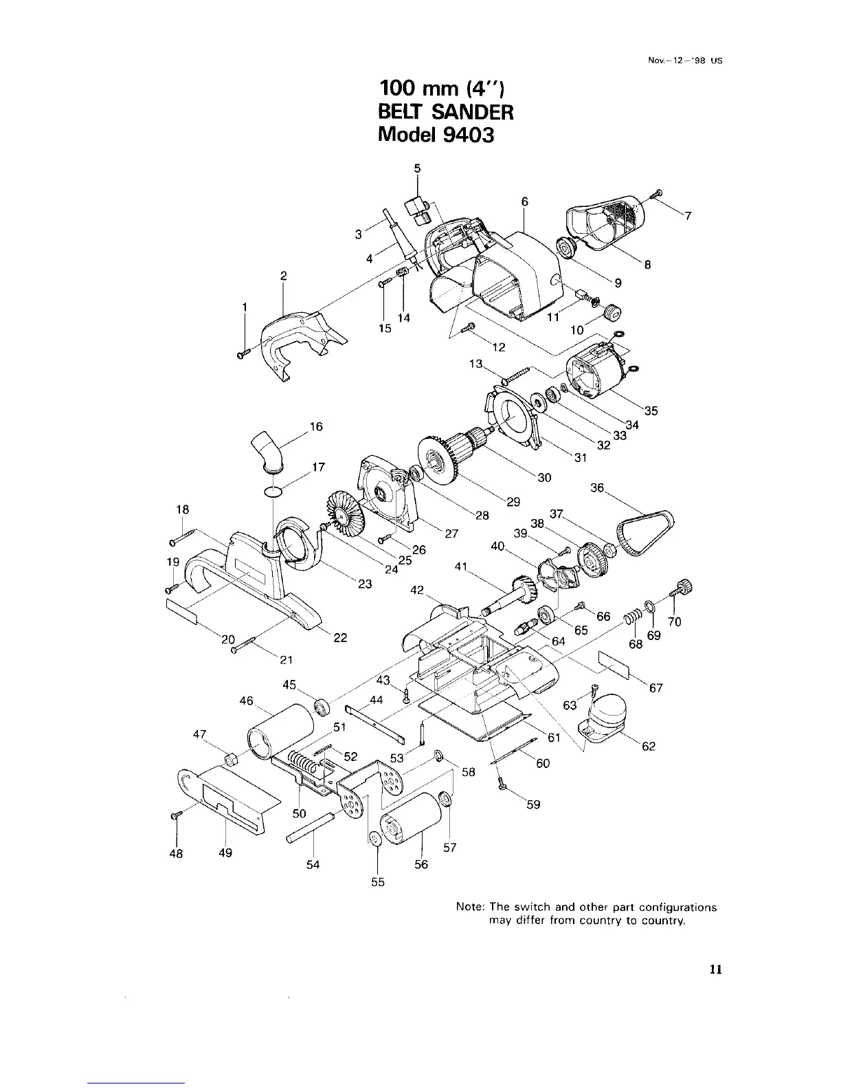
100
mm
(4")
BELT
SANDER
Model
9403
5
55
Note: The switch and other part configurations
may differ from country to country.
11

Related product manuals