EasyManua.ls Logo

Makita DP3003 - Page 14

Makita DP3003
16 pages
Print Icon
To Next Page IconTo Next Page
To Next Page IconTo Next Page
To Previous Page IconTo Previous Page
To Previous Page IconTo Previous Page
Loading...
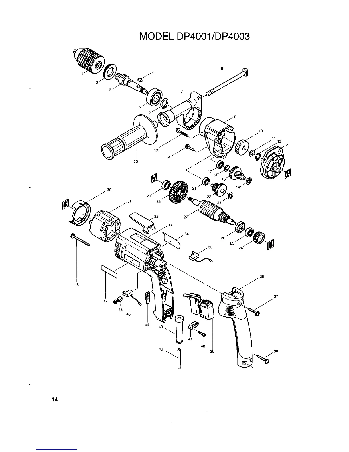
MODEL DP4001/DP4003
14

Related product manuals