EasyManua.ls Logo

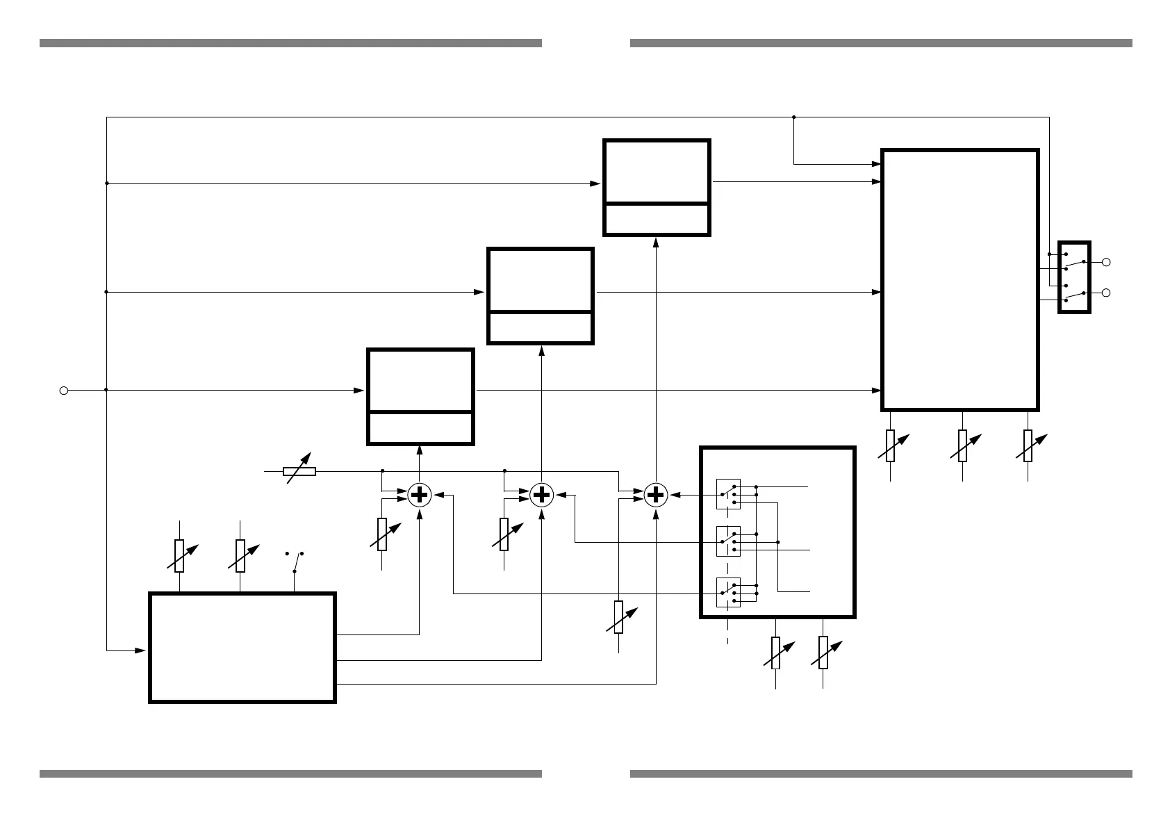
MAM RS3 - RS3 Block Diagram

MAM RS3
7 pages
Print Icon
To Previous Page IconTo Previous Page
To Previous Page IconTo Previous Page
Loading...
RS3 block diagram
,1
5$7(
%DQGSDVVë
)5(48(1&<
&21752/
,1 287
(19(/23(ý)2//2:(5
/2:
0,'
+,*+
'(37+ 32/$5,7<'(&$<
ò
ð
%DQGSDVVê
)5(48(1&<
&21752/
,1 287
%DQGSDVVì
)5(48(1&<
&21752/
,1 287
%DQGSDVVýì %DQGSDVVýë
%DQGSDVVýê
0$1î(;7
/)2
/)2ë
/)2ìýð
/)2ìýò
A
ì
ë
ê
ì
ë
ê
ì
ë
ê
'(37+
02'(
287387
67(5(2
3$1ýõìñêô
5(621$1&(
92/80(
287ý5
287ý/
%<3$66