EasyManua.ls Logo

MAM VF11 - How the VF11 Vocoder Functions; Using the VF11 with Human Voice

MAM VF11
15 pages
Print Icon
To Next Page IconTo Next Page
To Next Page IconTo Next Page
To Previous Page IconTo Previous Page
To Previous Page IconTo Previous Page
Loading...
ëïêý9)ììýIXQFWLRQV
êýý3UDFWLFDOýH[DPSOHVýðýWLSV
7KLVýFKDSWHUýSURYLGHVý SUDFWLFDOýH[DPSOHRIý9)ììýRSHUDWLRQýDQGýGLVFXVVHVý WKHý XVHýRI
GLIIHUHQWýVLJQDOVýDQGý UHFRPPHQGHGýXQLWýVHWWLQJVïý%\ýVLPSO\ýWU\LQJýRXWý WKHýVHWWLQJVýDV
GHVFULEHGñýWKHýXVHUýVKRXOGýEHýDEOHýWRýGHYHORSýVNLOOVýUHTXLUHGýWRýSURGXFHýWKHýGHVLUHG
HIIHFWVïý7KHýXVHýRIýGLIIHUHQWýVRXQGýVRXUFHVýZLOOýVKRZýWKDWýWKHýSRWHQWLDOýRIýDýWKHý9)ììýLV
RQO\ýOLPLWHGýE\ý\RXUýSHUVRQDOýLPDJLQDWLRQï
êïìý8VHýZLWKýKXPDQýYRLFH
8VHGý ZLWKý YRFDOVñý WKHý 9)ììý WUDQVIHUVýWKHý DUWLFXODWLRQýRIý WKHý YRLFHý WRý DQRWKHUý VLJQDO
õV\QWKHVLVý VLJQDOôïý 7KHý IXQGDPHQWDODQGý SLWF RIý WKHý V\QWKHVLVý VLJQD DUHý UHWDLQHGñ
WKHýYROXPHýRIýWKHýV\QWKHVLVýILOWHUVýLVýFRQWUROOHGýE\ýWKHýYRLFHýZKLFKýDGGVýWKHý©KDUPRQLFV
RIýWKHýYRFDOVöýWRýWKHýVLJQDOïý7KHýV\QWKHVLVýVLJQDOýVWDUWVýWDONLQJýõRUýVLQJLQJôï<RXýFDQýFUHð
DWHýIROORZLQJýHIIHFWVã
5RERWýYRLFHV
6KLIWLQJýWKHýSLWFKýRIýWKHýYRLFH
&UHDWLQJýPXOWLWLPEUDOýYRLFHV
7RýDFKLHYHýFOHDUýDQGýXQGHUVWDQGDEOHýUHVXOWVñýWKHýVRXQGýRIýWKHýYRLFHýDQGýV\QWKHVLVýVLJð
QDOýVKRXOGýEHýDVýVLPLODUýDVýSRVVLEOHïý8VHýIRUýH[DPSOHý6DZýRUý3XOVHýZDYHVýZLWKýORZ
SXOVHðZLGWKïý %HVWýUHVXOWVý DUHýH[SHULHQFHGý ZLWKýEDVVýVLJQDOVýõDSSUR[ïý èí+]ýðëíí+]ôï
7KHý VLJQDOVý JHWVý ZRUVHý ZLWKý KLJKHUý SLWFKHVý EHFDXVHý WKHý QXPEHUý RIý IXQGDPHQWDOV
GHFUHDVHýLQýKLJKHUýIUHTXHQFLHVï
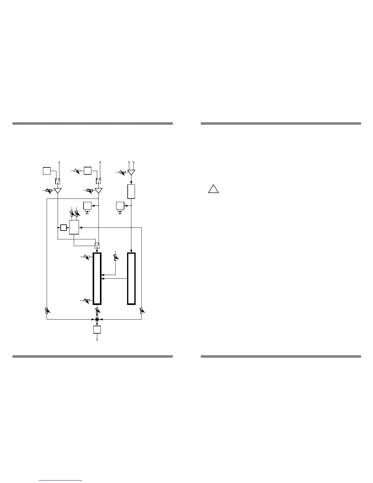
$QDO\VLVý,1
/LQH
0LF
$QDO\VLV
/HYHO
&RPSUHVVRU
V\QWKHVLV
$QDO\VLV
ìïïïì ì
2XWSXWý0L[
)LOWHUEDQNýìïïïìì
V\QWKHVLV
/HYHO
3HDN
9&2
)UHTXHQF\
8QYRLFHG
/HYHO
1RLVH
V\QWKHVLVý,1
8QYRLFHGý,1
3HDN
9RLFHGð
8QYRLFHGð
'HWHNWRU
$GMXVW
98
21î
2))
287
2XWSXWý0L[
V\QWKHVLV
2XWSXWý0L[
$QDO\VLV
2XWSXWý0L[
9RFRGHU
1RLVH
*DWH
)LOWHU
6\Qï
$QOï
ü
&DUHýKDVýWRýEHýWDNHQýLIýWKHýYRFRGHUýLVýGULYHQýE\ýDýPLFURSKRQHýDQGýIHGýGLUHFWO\
LQWRýDQýDPSOLILHUýV\VWHPïý/RZýGLVWDQFHVýWRýWKHýVSHDNHUVýRUýKLJKýYROXPHýFDQ
OHDGý WRýIHHGEDFNý ZKLFKýFDQýOHDGýKHDULQJýGDPDJHïý,WýLVýWKHUHIRUHý UHFRPPHQð
GHGýWRýXVHýORZH YROXPHýVHWWLQJVýHVSHFLDOO\ýRQýWKHýXSSHUýEDQGVýRUýWRýXVHýWKH
9)ììýZLWKýKHDGSKRQHVï
ìç ìæ