EasyManua.ls Logo

Man E3268 LE212 - Page 103

Man E3268 LE212
118 pages
Print Icon
To Next Page IconTo Next Page
To Next Page IconTo Next Page
To Previous Page IconTo Previous Page
To Previous Page IconTo Previous Page
Loading...
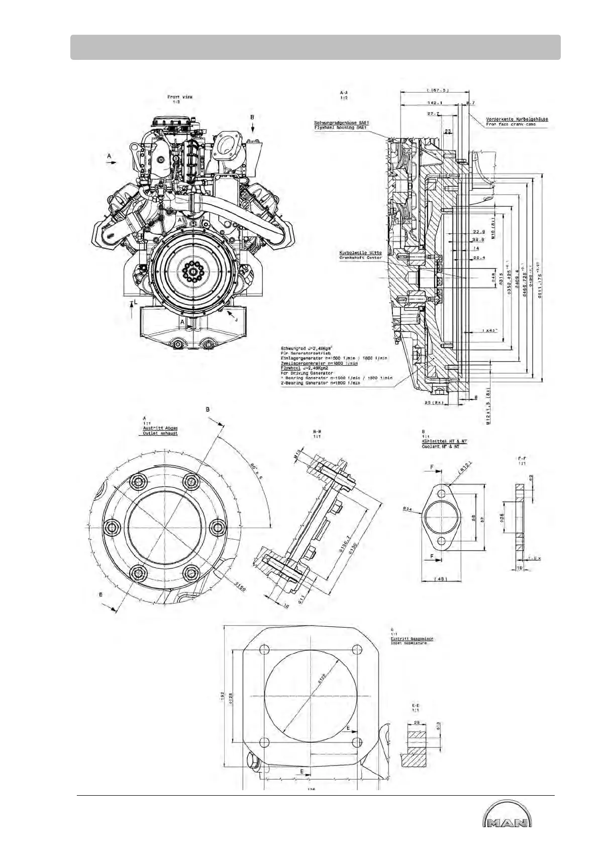
Installation drawing
MAN Industrial Gas Engines E3268 LE212/LE222, E3262 LE202/LE212
101
Carefully read these Operating Instructions before starting any work!
This is especially valid for the chapter on General Safety Instructions
and the safety instructions in each of the chapters.

Table of Contents

Other manuals for Man E3268 LE212

Related product manuals