EasyManua.ls Logo

Manitou Systems MRT 2150 - Page 34

Manitou Systems MRT 2150
244 pages
Print Icon
To Next Page IconTo Next Page
To Next Page IconTo Next Page
To Previous Page IconTo Previous Page
To Previous Page IconTo Previous Page
Loading...
32
IT
EN
DE
5
MRT 1850 - 2150 - 2540
0.80 mm
0.80 mm
V1 V2
C3
N
C2C1
C4
C5
A1
M
F
N.A.
A
N
S
R
I.R. (1) I.R. (2)
350 bar
0.80 mm
3mm
Winch 4T= 225 bar
Winch 5T= 250 bar
Winch 6T= 275 bar
Winch 6T
on boom = 275 bar
HH
HH
YY
YY
DD
DD
RR
RR
AA
AA
UU
UU
LL
LL
II
II
CC
CC
SS
SS
CC
CC
HH
HH
EE
EE
MM
MM
EE
EE
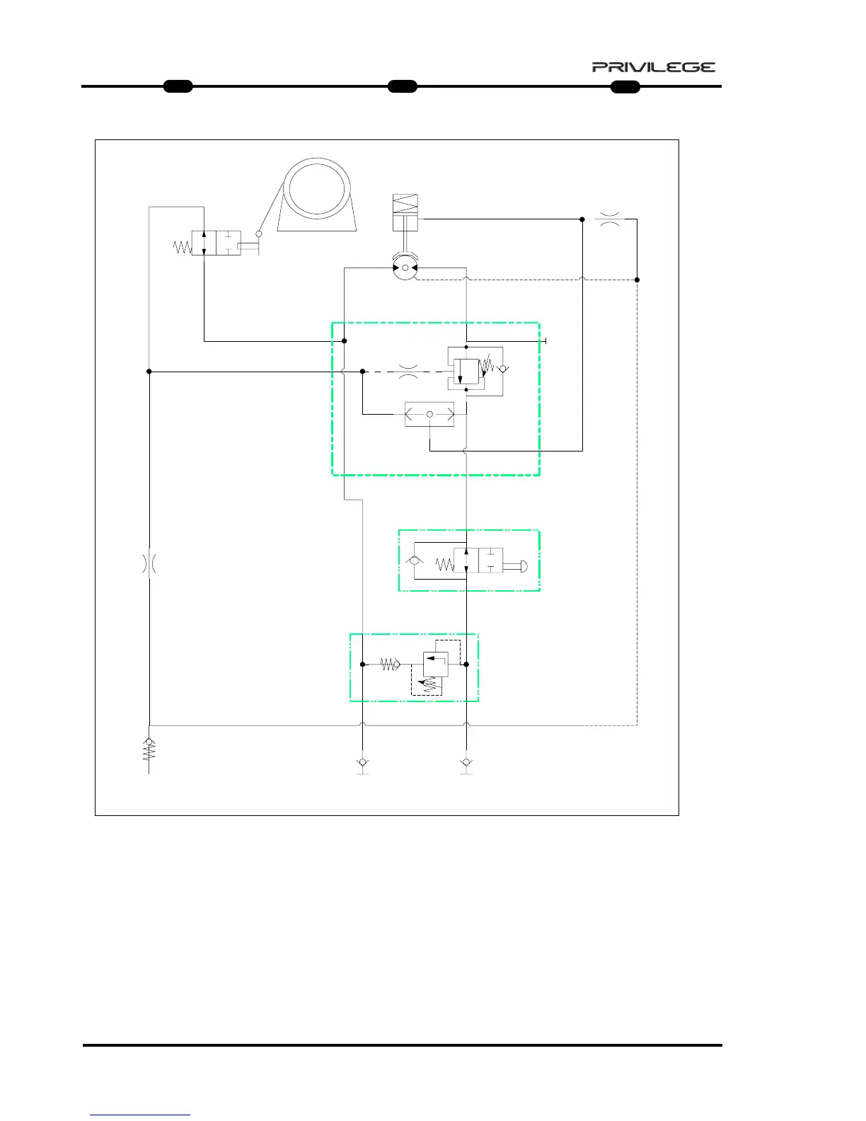
A = WINCH
N.A. = MAXIMUM DESCENT
MICROSWITCH
R = OIL TANK
I.R.1 = QUICK-RELEASE COUPLING
I.R.2 = QUICK-RELEASE COUPLING
A1 = MAXIMUM ASCENT
MICROSWITCH
S = VALVE
N = MAXIMUM PRESSURE VALVE
M = MOTOR
F = BRAKE
SS
SS
CC
CC
HH
HH
EE
EE
MM
MM
AA
AA
HH
HH
YY
YY
DD
DD
RR
RR
AA
AA
UU
UU
LL
LL
II
II
KK
KK
A = STEHENDE WINDE
N.A. = MIKROSCHALTER MAXIMALE
SENKUNG
R = ÖLBEHÄLTER
I.R.1 = SCHNELLKUPPLUNG
I.R.2 = SCHNELLKUPPLUNG
A1 = MIKROSCHALTER MAXIMALE
HEBUNG
S = VENTIL
N = ÜBERDRUCKVENTIL
M = MOTOR
F = BREMSE
SS
SS
CC
CC
HH
HH
EE
EE
MM
MM
AA
AA
II
II
DD
DD
RR
RR
AA
AA
UU
UU
LL
LL
II
II
CC
CC
OO
OO
A = ARGANO
N.A. = MICRO MASSIMA
DISCESA
R = SERBATOIO OLIO
I.R.1 = INNESTO RAPIDO
I.R.2 = INNESTO RAPIDO
A1 = MICRO MASSIMA
SALITA
S = VALVOLA
N = VALVOLA MASSIMA
PRESSIONE
M = MOTORE
F = FRENO

Related product manuals