EasyManua.ls Logo

Manitou MRT 1850 - Page 80

Manitou MRT 1850
206 pages
Print Icon
To Next Page IconTo Next Page
To Next Page IconTo Next Page
To Previous Page IconTo Previous Page
To Previous Page IconTo Previous Page
Loading...
4
3
IT
MRT 1850 - 2150 - 2540
2
30
280
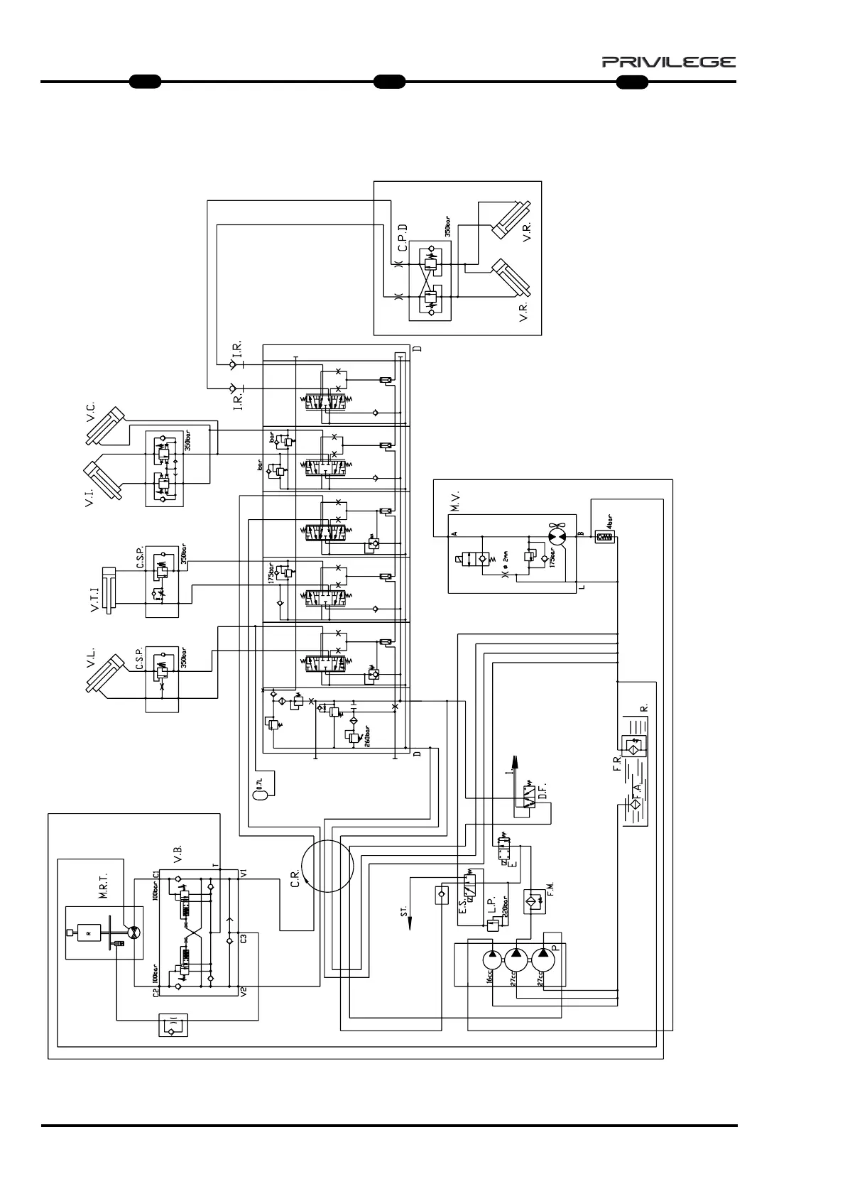
SCHEMA IDRAULICO
CESTELLO ORH
EN
DE
ORH BASKET HYDRAULIC
SYSTEM DIAGRAM
HYDRAULIKSCHEMA KORB-
ORH

Related product manuals